EasyManua.ls Logo

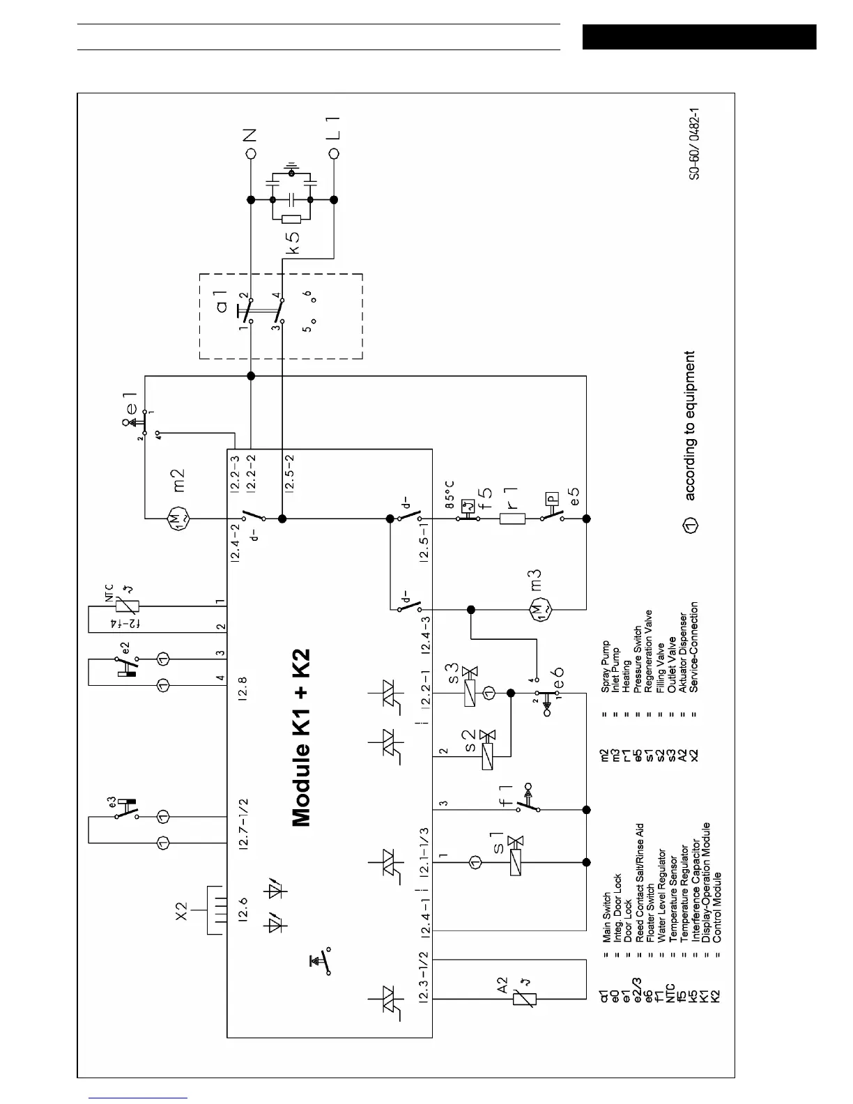
Whirlpool ADG 751 - Circuit Diagram; Module K1+K2 and Power Supply; Component Function Circuits; Component Identification Key

Whirlpool ADG 751
11 pages
Print Icon
To Next Page IconTo Next Page
To Next Page IconTo Next Page
To Previous Page IconTo Previous Page
To Previous Page IconTo Previous Page
Loading...
SERVICE
14.05.2001 / Page 10 ADG 751 Whirlpool Europe
Doc. No: 4812 718 16537 8511 751 10610 Customer Service
Circuit diagram

Related product manuals