EasyManua.ls Logo

Whirlpool AGB 022 - Circuit and Wiring Diagram

Whirlpool AGB 022
5 pages
Print Icon
To Previous Page IconTo Previous Page
To Previous Page IconTo Previous Page
Loading...
SERVICE
Whirlpool Europe AGB 022/01/G/WP 01.12.2000 / Page 5
Customer Service 8512 022 15072 Doc. No: 4812 710 17019
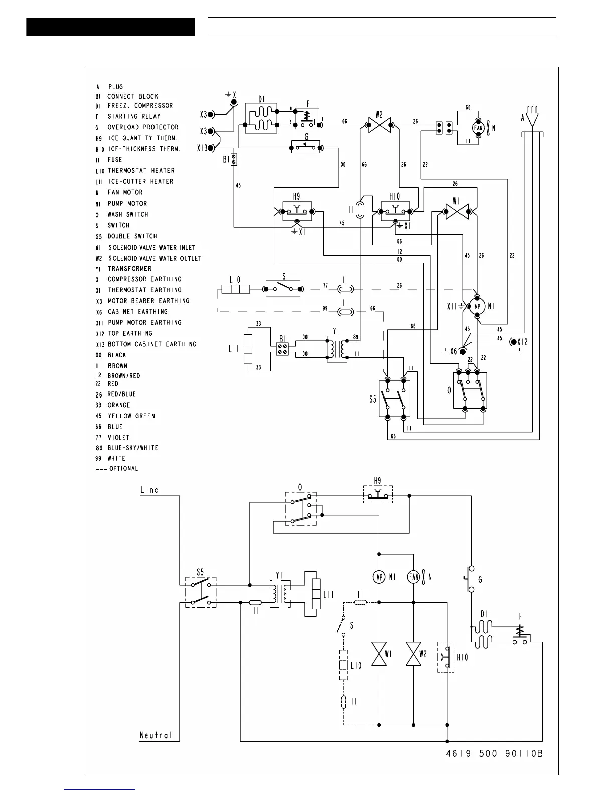
Circuit and Wiring diagram

Related product manuals