EasyManua.ls Logo

Whirlpool DU910PFG - Page 24

Whirlpool DU910PFG
66 pages
Print Icon
To Next Page IconTo Next Page
To Next Page IconTo Next Page
To Previous Page IconTo Previous Page
To Previous Page IconTo Previous Page
Loading...
20
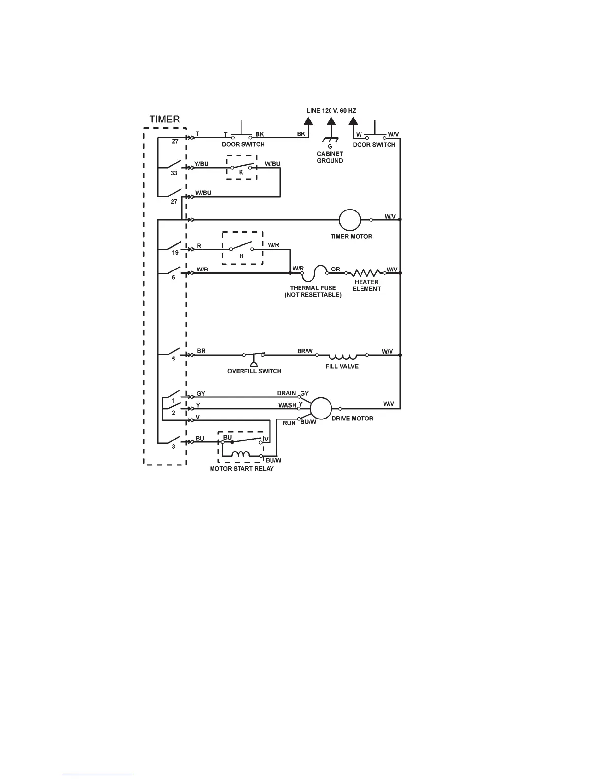
Wiring Diagram
Models DU840DWG, DP840DWG
SCHEMATIC SHOWN WITH DOOR SWITCHES CLOSED,
ALL CONTACTS OPEN

Table of Contents

Related product manuals