EasyManua.ls Logo

Whirlpool GBD307PD - Page 49

Whirlpool GBD307PD
59 pages
Print Icon
To Next Page IconTo Next Page
To Next Page IconTo Next Page
To Previous Page IconTo Previous Page
To Previous Page IconTo Previous Page
Loading...
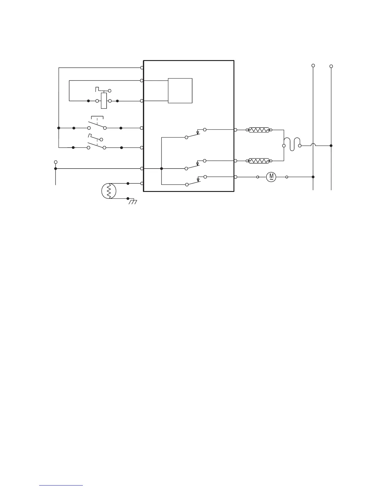
7-3
CLEAN & PREHEAT CLEAN
(SELF CLEAN MODELS ONLY)
BAKE-2000W
R
L1
L2
N
OR
OR
GY
R
W
BK
P18- 1
(P26-2)
R
+
-
P25- 1
P23- 1
P25- 2
P18- 4
(P26-4)
P24- 5
(P27-2)
*
(*)
(P25-3)
(P25-4)
Y
Y
(Y/W)
GYGY
t
°
WV
W
G
(W) (V/W)
(W)
(G)
(P23-5)
P23- 4
DOOR
SWITCH
(BU/W)
P23- 1
(P23-7)
P23- 3
(P23-8)
TAN TAN
TAN
TAN
ON LATCH ASSY
BR
BU BU
BR
OVEN
SHUTDOWN
THERMAL
FUSE
BROIL-3000W
+5V SWITCH PULSE
TAN
TEMP SENSOR
1080
@ 70˚F/21˚C
1654
@ 350˚F/177˚C
LATCH SWITCH
(OPERATED BY SOLENOID)
DOOR LOCK
SOLENOID
18VDC
(BR)
(TAN)
(TAN)
(GY-W)
(BR-W)
(BR) (BR)
(BR)(BR)
LATCH
DRIVE
CIRCUIT
BLOWER

Table of Contents

Related product manuals