EasyManua.ls Logo

Whirlpool GSF26C5EXW - Page 72

Whirlpool GSF26C5EXW
80 pages
Print Icon
To Next Page IconTo Next Page
To Next Page IconTo Next Page
To Previous Page IconTo Previous Page
To Previous Page IconTo Previous Page
Loading...
7-2
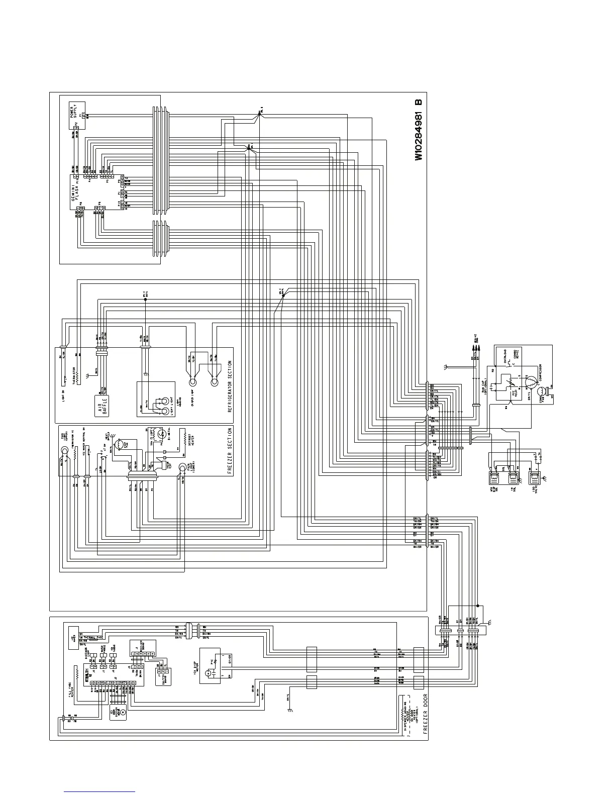
Diagnostics, Wiring Diagrams And Troubleshooting
(continued)

Table of Contents

Other manuals for Whirlpool GSF26C5EXW

Related product manuals