EasyManua.ls Logo

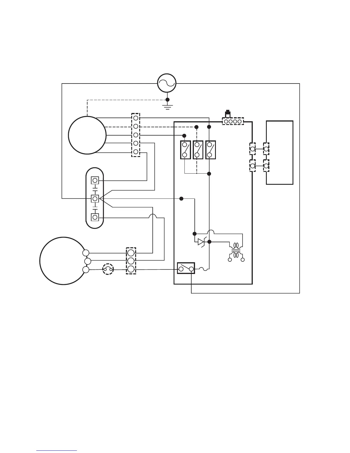
Whirlpool R-94 - WIRING DIAGRAM ACQ052 PK & ACQ062 PK

Whirlpool R-94
36 pages
Print Icon
To Next Page IconTo Next Page
To Next Page IconTo Next Page
To Previous Page IconTo Previous Page
To Previous Page IconTo Previous Page
Loading...
5-2
F
C
H
DISPLAY PCB ASM.
MAIN PCB ASM.
CN-WOR
THERMISTOR
RY-COMP
COMPRESS
CAPACITOR
LINE FUSE, 125V, 2A
FAN
MOTOR
OVERLOAD
PROTECTOR
TRANSFORMER
BR
BU BU
RD RD
BK BK
RD
BK
OR
OR (BR)OR (BR)
ZNR01J
CN-TH1
CN-SYNC
CN-DISP1 CN-DISP2
POWER INPUT
YL
BU
BU
RD
BK
RD
BK
YL
WH (BL)
BK (BR)
(SMOOTH)(RIBBED)
GND (GN/YL)
RY-L
CN-RD
CN-BL
CN-BK
RY-M
RY-H
R
S
C
WIRING DIAGRAM
(MODELS ACQ052PK & ACQ062PK)