EasyManua.ls Logo

Whirlpool UXD8636DYS - Schéma de Câblage

Whirlpool UXD8636DYS
40 pages
Print Icon
To Next Page IconTo Next Page
To Next Page IconTo Next Page
To Previous Page IconTo Previous Page
To Previous Page IconTo Previous Page
Loading...
38
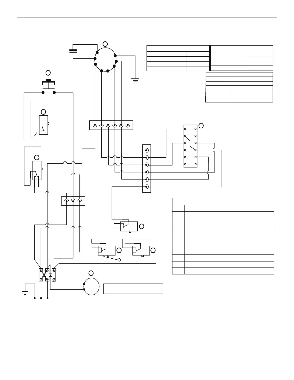
SCHÉMA DE CÂBLAGE
S50
4° Vitesse
3° Vitesse
2° Vitesse
1° Vitesse
8
9
2
1
5
3
6
M
M
123
4
7
1
1
1
1
3
24
5
6
7
8
9
10
11
12
R
R
R
GRIS
JA/VE
MAR
JA
NeutreBU
N
GRIS
R
BL
BL
R
GRIS
N
BU
MAR
BU
MAR
GRIS
RR
GRIS
MAR
MAR
MAR
MAR
BU
GRIS
GRIS
GRIS
N.O.
N.C.
COM
N.O.
N.C.
COM
N.O.
N.C.
COM
N.O.
N.C.
COM
N.O.
N.C.
COM
GRI S
GRIS
BU
BL
N
JA/VE
Terre L
Neu
R
N
GRIS
R
BL
MAR
N
GRI S
R
BL
MAR
N
BL
R
MAR
Caractérstiques du moteur
Alimentation
Fréquence
Puissance nominale
Intensité
Résistance du moteur
60 Hz
420 W
Bleu - Blanc
Bleu - Roug e
Bleu - Gris
Bleu - Noir
21,6 Ohms
18 Ohms
14,3 Ohms
9,8 Ohms
3,7 A
Remarque: Le schéma de cáblage
montre la fin de course en position basse.
Fonctionnement du commutateur du ventilateur
Contact
Fonction
1 - 3
3 - 5
5 - 7
8 - 10
10 - 12
1ére Vitesse
2e Vitesse
Arrêt
3e Vitesse
4e Vitesse
1
2
3
4
5
6
7
8
9
Disposition des composant s
Description
Num.
Microcontact du filtre
Microcontact du filtre
Fin de course basse de la chambre de distribution
Fin de course haute de la chambre de distribution
Microcontact moteur
Moteur d´entraînement de la chambre de distributi
on
Moteur du ventilateur
Contacteurs de vitesse du ventilateur
Bouton mar che - montée/descente ch. distrib.
SEL0015061B
120 VCA

Related product manuals