EasyManua.ls Logo

White 1855 - Threading the Upper Thread

White 1855
32 pages
Print Icon
To Next Page IconTo Next Page
To Next Page IconTo Next Page
To Previous Page IconTo Previous Page
To Previous Page IconTo Previous Page
Loading...
THREADING
UPPER
THREAD
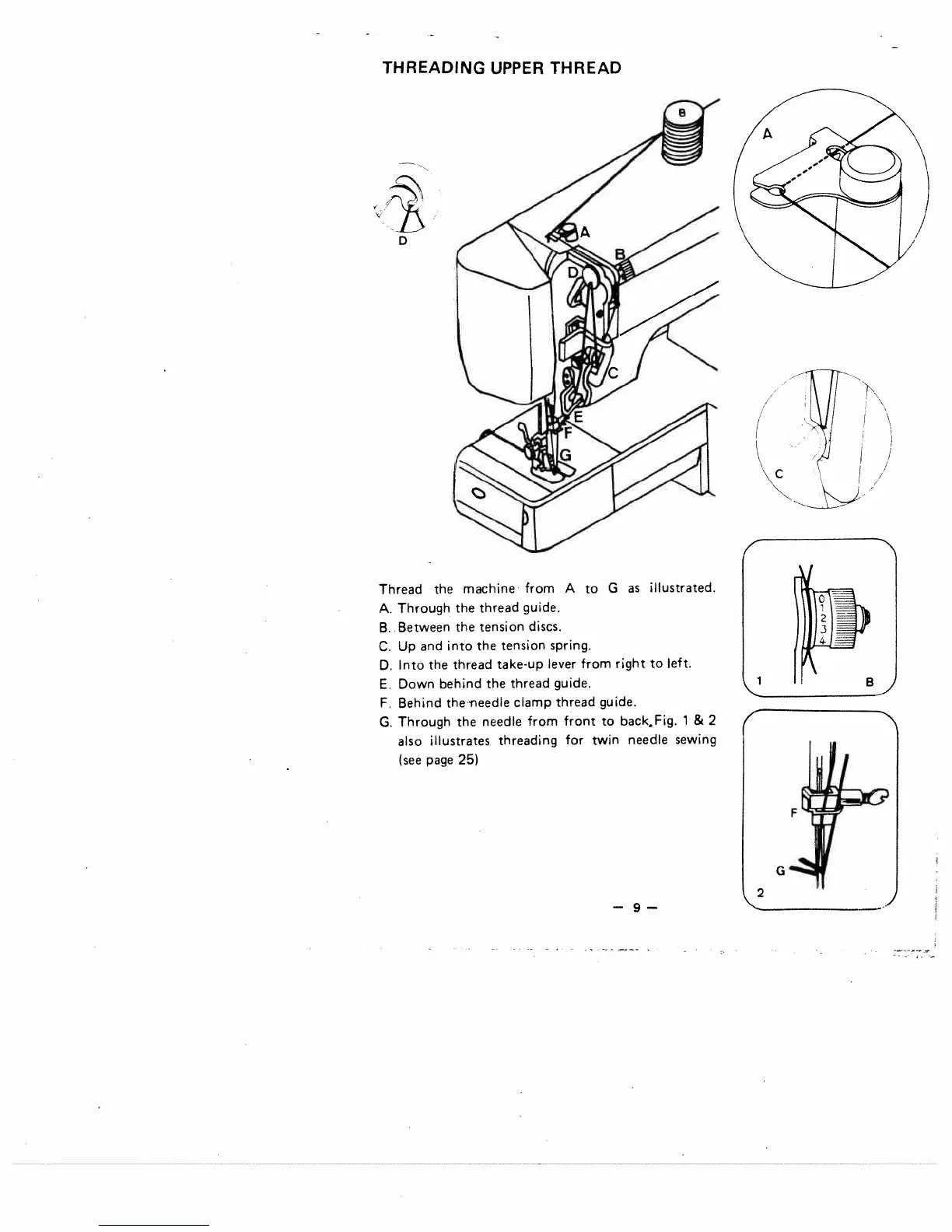
Thread
the
machine
from
A
to
G
as
illustrated.
A.
Through
the
thread
guide.
B.
Between
the
tension
discs.
C.
Up
and
into
the
tension
spring.
D.
Into
the
thread
take-up
lever
from
right
to
left.
E.
Down
behind
the
thread
guide.
F.
Behind
the-needle
clamp
thread
guide.
G.
Through
the
needle
from
front
to
backFig.
1
&
2
also
illustrates
threading
for
twin
needle
sewing
(see
page
25)
4
4
F
G
—9—

Related product manuals