EasyManua.ls Logo

WIKA CPG1200 - Page 70

WIKA CPG1200
152 pages
Print Icon
To Next Page IconTo Next Page
To Next Page IconTo Next Page
To Previous Page IconTo Previous Page
To Previous Page IconTo Previous Page
Loading...
70 WIKA operating instructions, model CPG1200
EN
14603921.02 06/2023 EN/DE
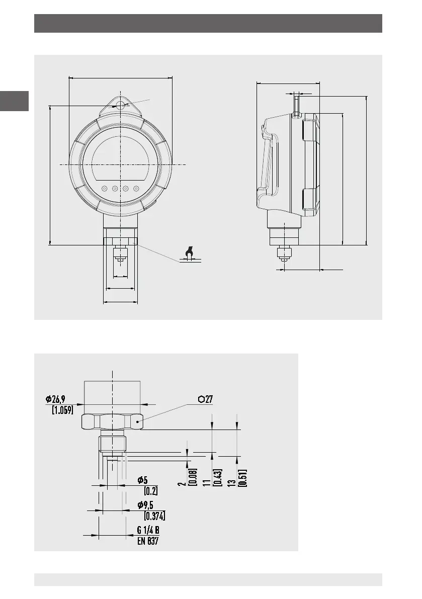
11. Specifications
11.5.2 Process connections
CPG1200 with protective case cap
32
[1.26]
26,9
[1.06]
G 1/4
27
131,8
[5.19]
97,41
[3.84]
Ø 8
[0.31]
33,5
[1.32]
124,5
[4.9]
140,5
[5.53]
5 [0.2]
59,38
[2.34]
Spanner width 27 mm, G ¼ B per EN 837
14398034

Related product manuals