EasyManua.ls Logo

Wilbur Curtis CB - Electrical Schematic and Wiring; Component Connections and Wiring Diagram; Electrical Ratings and Ladder Diagram

Wilbur Curtis CB
12 pages
Print Icon
To Next Page IconTo Next Page
To Next Page IconTo Next Page
To Previous Page IconTo Previous Page
To Previous Page IconTo Previous Page
Loading...
9
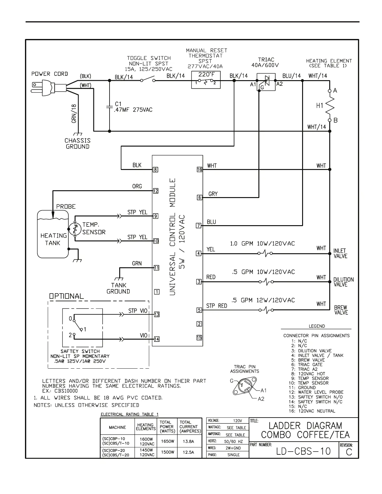
Electrical Schematic