EasyManua.ls Logo

Williams 2903512 - Page 22

Williams 2903512
24 pages
Print Icon
To Next Page IconTo Next Page
To Next Page IconTo Next Page
To Previous Page IconTo Previous Page
To Previous Page IconTo Previous Page
Loading...
Point 10 (S).
S motor does not run. Check voltage, wirings
and connections.
If everything is OK, replace the motor.
STEP 5
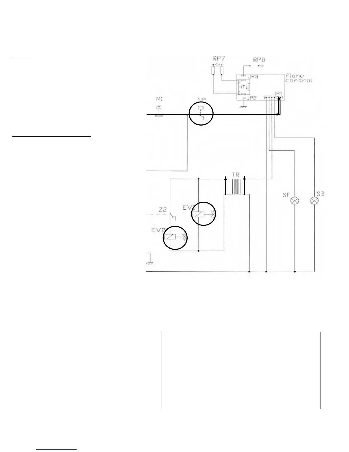
11. Check NP (Pressure switch).
12. Check electrical supply to flame control box
(120 V)
13. Check TR (electrical transformer)
(120V/24V)
14. Check EV1 (Min gas valve) (24V)
15. Check RP7 (ignitions electrodes)
16. Check RP8 (flame sensor)
17. Check EV2 (Max gas valve) (24 V)
TROUBLESHOOTING STEP 5
Point 11 (NP).
NP contact is open and air blower ON.
Check wirings and connections. Check and
clean blower pipes.
Check and clean burner and flue gas pipe.
Clean blower.
If everything is OK, replace the switch.
Point 13 (TR).
No inlet voltage (120 V).
Check 5 poles connector and control box.
If everything is OK, replace the connector.
No outlet voltage (24 V) during ignition.
Check wirings and connections.
If everything is OK, replace the transformer.
Point 14 (EV1).
Valve closed during ignition (Z2 down).
Check wirings, connections and voltage.
If everything is OK, replace the gas valve.
Point 15 (RP7).
No spark during ignition.
Check electrodes, wirings and connections.
If everything is OK, replace the flame control box.
Point 16 (RP8).
No flame sensing with flame.
Check flame sensor, wirings and connections. Check
gas pressure and exhausted flue pipe.
If everything is OK, replace the flame control box.
Point 17 (EV2).
No voltage on EV2 with Z2 up.
Check wirings and connections.
If everything is OK, replace the switch.
Valve closed with voltage with Z2 up.
Check wirings, connections and voltage.
If everything is okay, replace the gas valve.
120 V
24 V
Starting Sequence (Gas)
1. Check and clean exhausted flue pipes;
2. Check and clean air blower and fan motor;
3. Check and clean burner and combustion chamber;
4. Check and clean gas nozzle;
5. Check gas type;
6. Check supply gas line pressure (see the manual);
7. Check gas losses;
8. Set burner gas pressure (see the manual).

Related product manuals