EasyManua.ls Logo

Wintech WP-3000 Series - Major Functions and Operation; Output Scaling; Sensor Compensation; Input and Output Functions

Wintech WP-3000 Series
4 pages
Print Icon
To Next Page IconTo Next Page
To Next Page IconTo Next Page
To Previous Page IconTo Previous Page
To Previous Page IconTo Previous Page
Loading...
- 3 -
before
10.1 t/h
after
10.1-0.1
=10.0
-0.1
Compensated value
OUT
Y= X
IN
if X>0
Y={(pv-low scale)
* (high scale-low scale)}
+ low scale
if X<=0 Y=0
OUT
Y=
7-2. Output scaling function
This function can change the 4.00~20.00mA
value as the output scale.
ex) In case of display value 0.00~7.00t/m,
Output 4.00~20.00
mA
20.00
12.00
4.00
0.00 3.50 7.00
mA
t/m
setting to
High Scale : 7.00 t/m
Low Scale : 0.00 t/m
7-3. Sensor compensation function
The function is useful for compensating error by long sensor
line or changed zero point by aged sensor.
ex) Before sensor adjust = 10.1t/h
After sensor adjust = measured value + compensated value
= 10.1 - 0.1
= 10.0 t/h
7-4. Function (mA type)
LIN
Pass the input as it is. Used for general input type and linearity
input.
ROO
T
Pass the input
after √. Used
for flow rate by orifice.
LIMT
Like level measuring, when it does not display measuring under zero,
it always can display zero by using limit function.
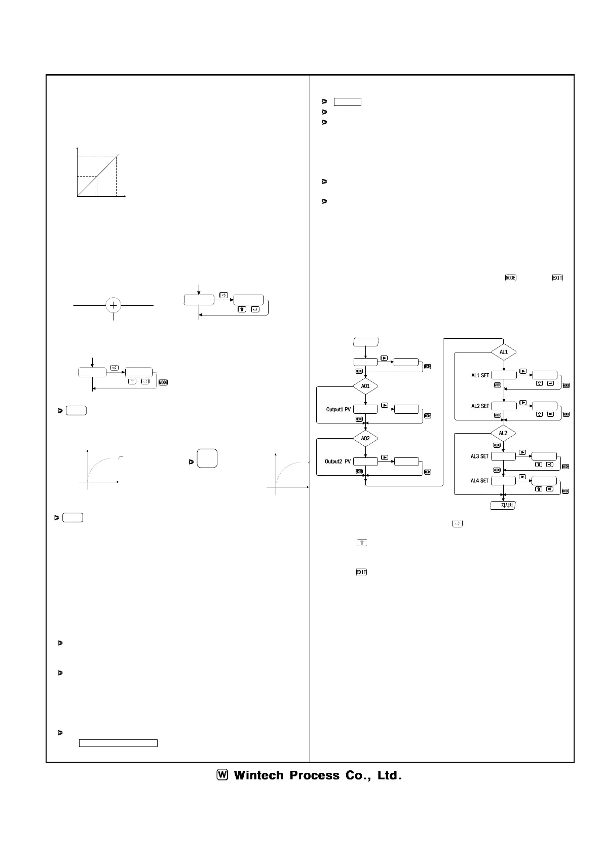
7-5. Alarm function
Alarm type : High, Low
ex) AL-1 : High alarm value 500.0,
Alarm dead band setting 0.5
The high alarm(AL-1) is ON when the present value(PV) is 500.0 or
more, and OFF when 499.5 or less. The high alarm(AL-2) is OFF when
the present value (PV) is 100.5 or more, and ON when 100.0 or less.
7-6. POT (Option)
setting range"0" (mA) pulse per hour.
ex) setting pot 3600 per hour 3600pulse output at 20mA input
ex) setting pot 7200 per hour 7200pulse output at 20mA input
setting range"1~6" pulse per sec.
(high scale /pulse = pot value)
ex) high scale value = 200, pulse range =
1pulse per sec~100pulse per sec
setting per sec 20pulse output (200/20=10, POT=10)
setting per sec 40pulse output (200/40=5, POT=5)
Filter is moving average filter and it has 5kinds of function.
NONE AV 4 8 16 32
S- AD
0 0 0 0
F - S L L I N
NONE It displays the change of input without filter.
It displays in recent input No 4,8,16 32 sample average.
Setting filter function delays response. Do not use filter when high
speed response is needed. When output and display value are
changed by irregular input, it is possible to get regular input and
display value by using filter function.
7-7. Communication interface
It is possible to communicate with computer and to monitor remote
by using RS-485 communication interface
When measuring less than 1Hz pulse value will be displayed after a
certain period of time.
8. Operation & Setting mode
CAUTION
Initialization of the data (All Reset)
It is All reset when ship the goods from factory. If you want initialize
all parameter, please reset the instrument. Push the KEY and
KEY at the same time and ON the power. It is initialized and
operation by new setting value.
8-1.Operation Mode - The upper and lower limit alarm will behave
according to the value set in the setting mode.
OUT1 - 1 0 0
OUT2
PV
PV
AL- 1
AL- 2
* Output display
0~100%
- 1 0 0
1 0 0 0
1 0 0 0
.
.
.
.
AL- 3
AL- 4
HZ
1 0 0 0
.
1 0 0 0
.
NO
NO
NO
YES
YES
YES
YES
NO
. 000u0u
Make flickering the wanted place by and setting the value for data
setting.
Push the , the figure repeat to 0,1,2… 9,0 and the best position repeat
to 0,1,2…,9,-,-1,0.
If you want to output the mode,
push the then will go out into the PV value Mode.