EasyManua.ls Logo

Witt GP 42 - Dimensions of GP 41 and GP 42 Pumps

Witt GP 42
49 pages
Print Icon
To Next Page IconTo Next Page
To Next Page IconTo Next Page
To Previous Page IconTo Previous Page
To Previous Page IconTo Previous Page
Loading...
- Technical data - 12
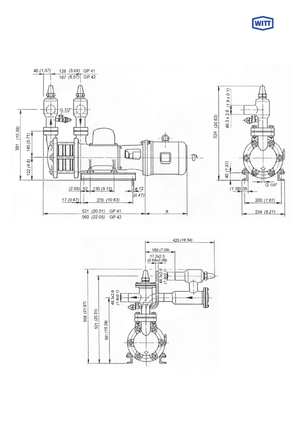
4.5 DIMENSIONS
4.5.1 Dimensions GP 41 / GP 42
All dimensions in mm (inch)

Other manuals for Witt GP 42

Related product manuals