EasyManua.ls Logo

Wolf C34S - Installation Requirements; Pressure Regulator; Gas Line Connection; Clearances

Wolf C34S
2 pages
Print Icon
To Previous Page IconTo Previous Page
To Previous Page IconTo Previous Page
Loading...
NOTE: In line with its policy to continually improve its product, Wolf Range Company
reserves the right to change materials and specifications without notice.
This appliance is manufactured for commercial use only and is not intended for home use.
F-39053 (6/05)
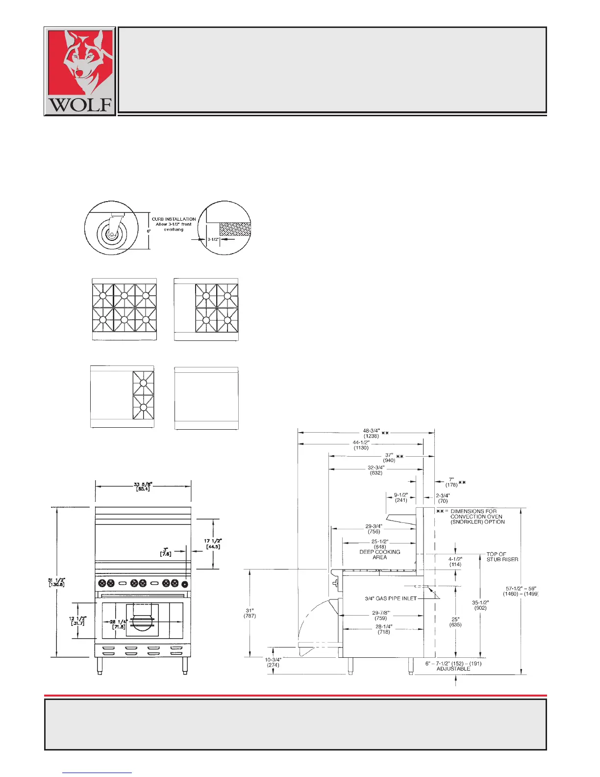
Challenger Series
34" Single Oven Range
C34S, K34S
TOP OPTIONS:
11", 22" and 34" wide griddle tops in 1" thickness. 20,000
BTU/hr. input per 11" griddle width. Choice of manual or
thermostatic controls, one control per burner. Spatula width
front grease trough.
CHR-6-29 CHR-4-29-FT11
CHR-2-29-FT22 CHR-0-29-FT34
INSTALLATION REQUIREMENTS:
1. A pressure regulator sized for this unit is included. Natural
gas 5.0" W.C., propane gas 10.0" W.C.
2. Gas line connecting to range must be
3
4" or larger. If flexible
connectors are used, the inside diameter must be the same
as the
3
4" iron pipe.
3. An adequate ventilation system is required for commercial
cooking equipment. Information may be obtained by writing
to the National Fire Protection Association, 1 Batterymarch
Park, Quincy, MA 02269, www.NFPA.org. When writing,
refer to NFPA No. 96.
4. These units are manufactured for installation in accordance
with ANSZ223.1A (latest edition), National Fuel Gas Code.
Copies may be obtained from The American Gas Associa-
tion, 400 N Capitol St. NW, Washington, DC 20001,
www.AGA.org.
5. Clearances: Rear Sides
Combustible 2" 20"
Standard Oven Non-combustible 0" 0"
Convection Oven Non-combustible Min. 4" 0"
Curb Mount Non-combustible Min. 6" 0"
6. For proper combustion, install equipment on adjustable legs
or casters provided with unit. On curb or platform, allow
3
1
2" front overhang (see adjacent diagram). Leveling bolts
are required for curb installation. Specify when ordering.

Related product manuals