EasyManua.ls Logo

Woods FZ23B - Page 36

Woods FZ23B
54 pages
Print Icon
To Next Page IconTo Next Page
To Next Page IconTo Next Page
To Previous Page IconTo Previous Page
To Previous Page IconTo Previous Page
Loading...
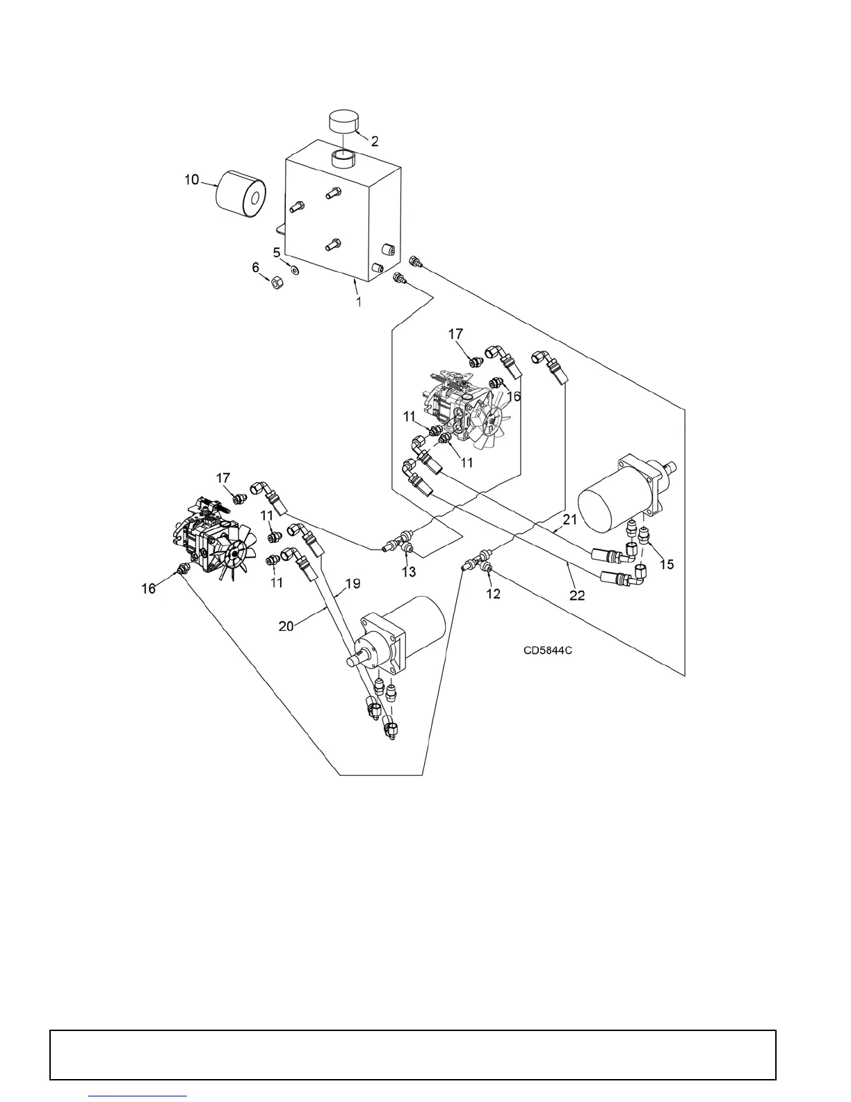
36 Parts
MAN0875 (2/8/2011)
HYDRAULIC RESERVOIR & HOSES
PARKERĀ® PUMPS
REF PART QTY DESCRIPTION
1 75477 1 Hydraulic reservoir
2 75489 1 Cap w/breather
5 838 * 3 3/8 Lock washer
6 59077 * 3 3/8 NC Center lock nut
10 75527 1 Filter, hydraulic oil
11 61 4 Adapter, 3/4 JICM x 3/4 ORBM
12 75482 1 Hose assembly - suction
13 75483 1 Hose assembly - Case drain
15 316016 4 Adapter, 3/4 JICM x 7/8 ORBM
REF PART QTY DESCRIPTION
16 315031 2 Adapter, 9/16 ORBM x 3/4 JICM
17 62367 2 Elbow, 9/16 ORBM x 9/16 JIMCM
19 75481 1 Hose - Right, top pump front motor
20 75480 1 Hose - Right, bottom pump back
motor
21 75478 1 Hose - Left, top pump back motor
22 75479 1 Hose - Left, bottom pump front motor
* Standard hardware, obtain locally
(Rev. 6/18/2013)

Related product manuals