EasyManua.ls Logo

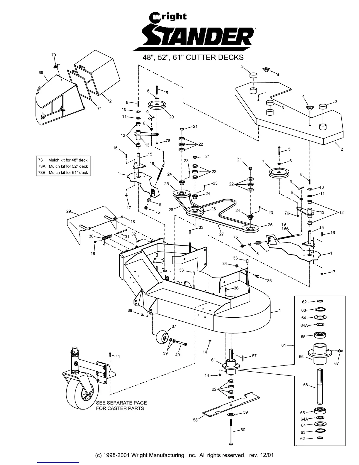
Wright Manufacturing Stander 48 - 48, 52, 61 Cutter Decks - Exploded View

Wright Manufacturing Stander 48
13 pages
Print Icon
To Next Page IconTo Next Page
To Next Page IconTo Next Page
To Previous Page IconTo Previous Page
To Previous Page IconTo Previous Page
Loading...

Related product manuals