EasyManua.ls Logo

wsm L3830 - Air Conditioner Blower Switch

wsm L3830
619 pages
Print Icon
To Next Page IconTo Next Page
To Next Page IconTo Next Page
To Previous Page IconTo Previous Page
To Previous Page IconTo Previous Page
Loading...
10-M8
L3130 · L3430 · L3830 · L4630 · L5030, WSM
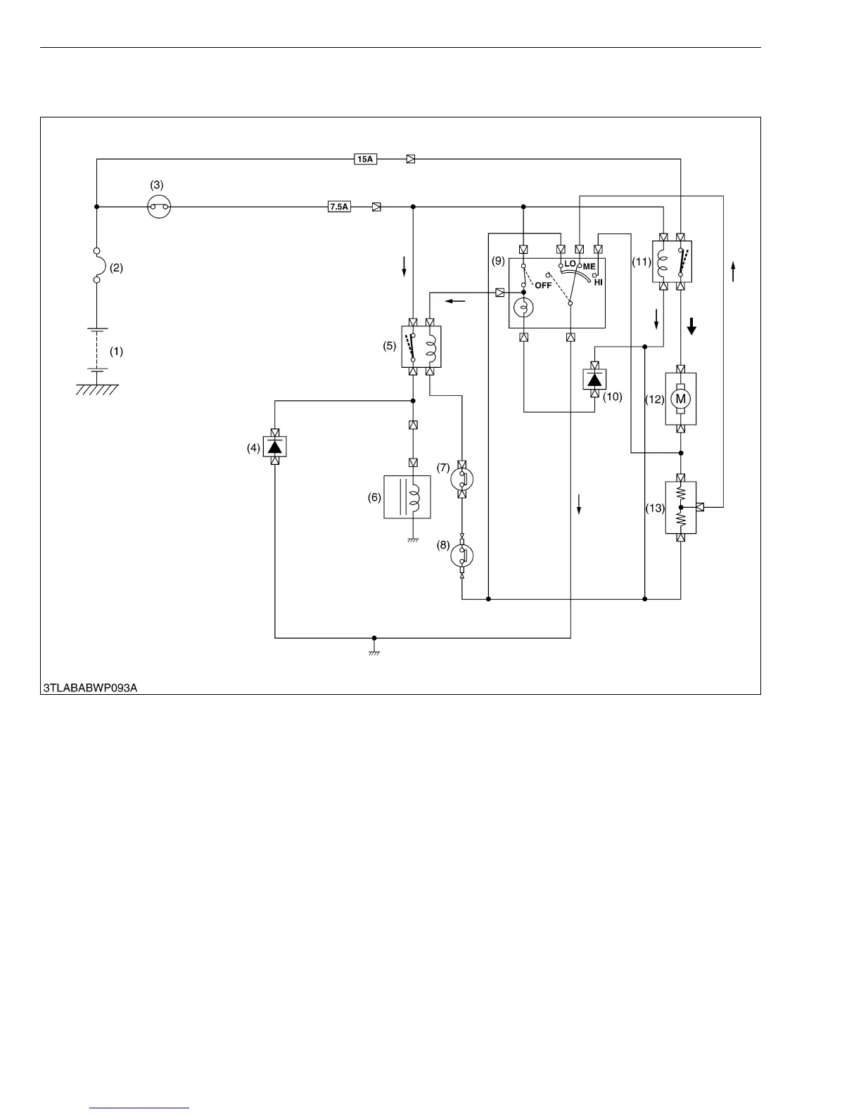
CABIN
(3) Air Conditioner Blower Switch
When Blower Switch is in · (Low), • (Medium) or (High) Position
When the main switch (3) is turned ON, the current flows from battery (1) to A/C blower relay coil and A/C relay is
turned ON. As the A/C relay is turned ON, the current from battery (1) flows to A/C blower switch through the A/C
blower motor as follows.
“·” (Low) Position
Battery (1) Slow Blow Fuse (2) Main Switch (3) Fuse (7.5 A) A/C Blower Relay Contact (12) Blower
Motor (13) Blower Resistor (14) A/C Blower Switch (10) (LO Position) Ground.
“•” (Medium) Position
Battery (1) Slow Blow Fuse (2) Main Switch (3) Fuse A/C Blower Relay Contact (12) Blower Motor
(13) Blower Resistor (14) A/C Blower Switch (10) (ME Position) Ground.
” (High) Position
Battery (1) Slow Blow Fuse (2) Main Switch (3) Fuse A/C Blower Relay Contact (12) A/C Blower
Motor (13) A/C Blower Switch (10) (HI Position) Ground.
(1) Battery
(2) Slow Blow Fuse
(3) Main Switch
(4) Diode
(5) Joint Connector
(6) Compressor Relay
(7) Compressor
(8) Pressure Switch
(9) Thermostat
(10) A/C Blower Switch
(11) Diode
(12) A/C Blower Relay
(13) A/C Blower Motor
(14) A/C Blower Resistor
KiSC issued 02, 2007 A

Table of Contents

Related product manuals