EasyManua.ls Logo

Xinje VB5 - Fault Recording Parameters (Group P6); Close-Loop Control Parameters (Group P7)

Xinje VB5
110 pages
Print Icon
To Next Page IconTo Next Page
To Next Page IconTo Next Page
To Previous Page IconTo Previous Page
To Previous Page IconTo Previous Page
Loading...
V5 series inverter
75
4-2-7. Fault recording parameters (Group P6)
P6.00 last fault record Range: 0~23 0
P6.07 Last 2 fault record Range: 0~23 0
P6.08 Last 3 fault record Range: 0~23 0
P6.09 Last 4 fault record Range: 0~23 0
P6.10 Last 5 fault record Range: 0~23 0
P6.11 Last 6 fault record Range: 0~23 0
0: no fault
1~17: E-01~E-17 fault, refer to chapter 5.
P6.01 Output frequency of last fault Range: 0~upper limit of frequency 0
P6.02 Setting frequency of last fault Range: 0~upper limit of frequency 0
P6.03 Output current of last fault Range: 0~999.9A 0
P6.04 Output voltage of last fault Range: 0~999V 0
P6.05 DC bus voltage of last fault Range: 0~800V 0
P6.06 Module temperature of last fault Range: 0~100 0
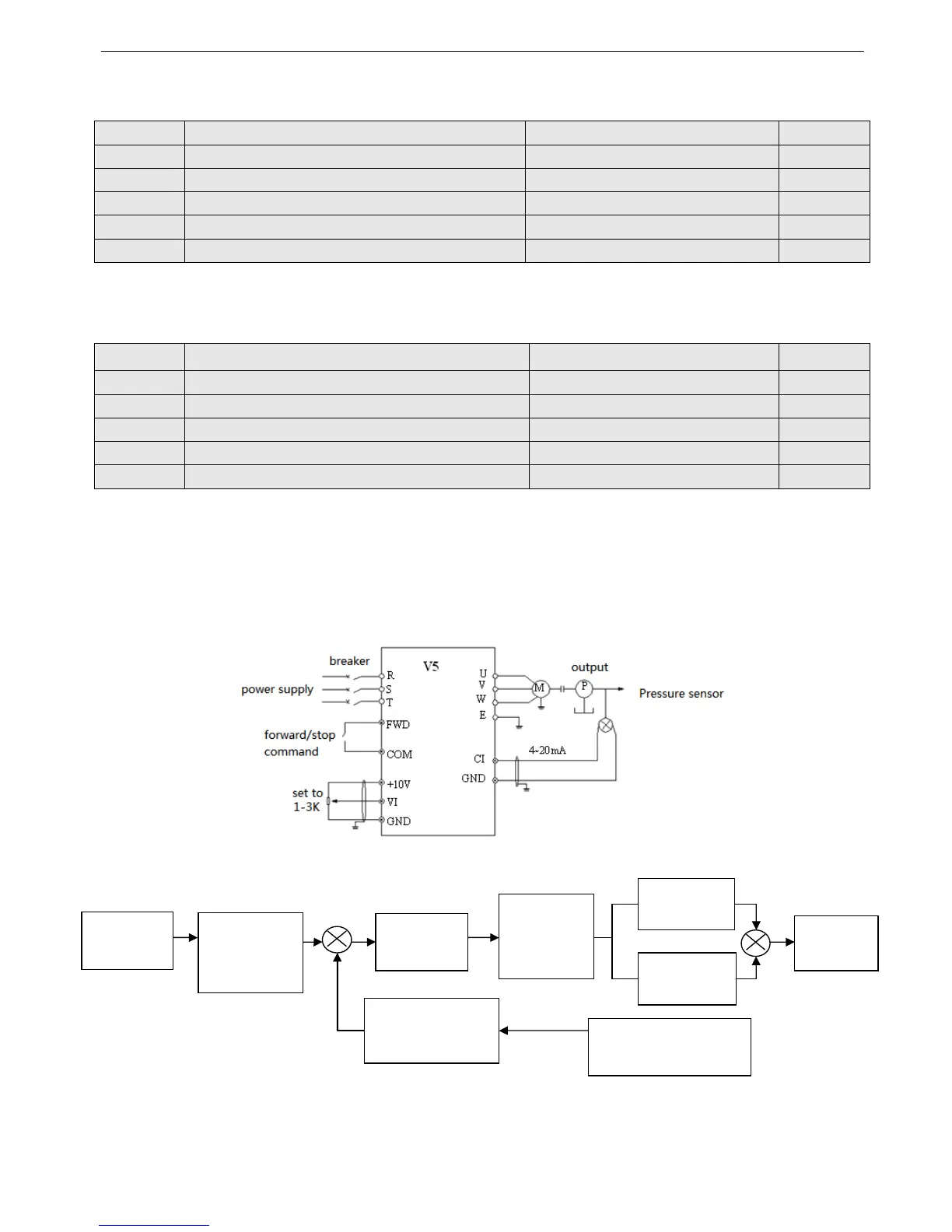
4-2-8. Close-loop control parameters (Group P7)
Analog feedback control system:
Pressure value is input in VI, and feedback value (420mA) of pressure sensor is input to inverter CI then pass through
the internal PI adjustor to form analog close-loop control system, as shown in Fig4-32.
Fig.4-32 Analog feedback control system with internal PI
Principle diagram of inverters internal PI adjustor is shown below:
+ +
- +
Fig. 4-33 PI control principle diagram
The definition of close-loop value, feedback value, difference limit and proportion/integral parameter in Fig 4-33 are the
same to normal PI definition. Please refer to P7.01~P7.11. The relationship between preset value and expect feedback val-
ue is shown in Fig 4-34. The preset value is based on 10V; the feedback value is based on 20mA.
The aim of preset value adjustment and feedback value adjustment is to confirm the their relationship and size, as shown in
Close-loop
preset value
Preset value
adjustment
(P7.06,P7.08)
Difference
limit (P7.13)
Close-loop
adjust feature
(P7.14)
Proportion
gain
(P7.10)
Integral gain
(P7.11)
Feedback value ad-
just (P7.07, P7.09)
Close-loop
output
Close-loop feedback value

Table of Contents

Related product manuals