EasyManua.ls Logo

Yale 626F - Trim Template

Yale 626F
6 pages
Print Icon
To Next Page IconTo Next Page
To Next Page IconTo Next Page
To Previous Page IconTo Previous Page
To Previous Page IconTo Previous Page
Loading...
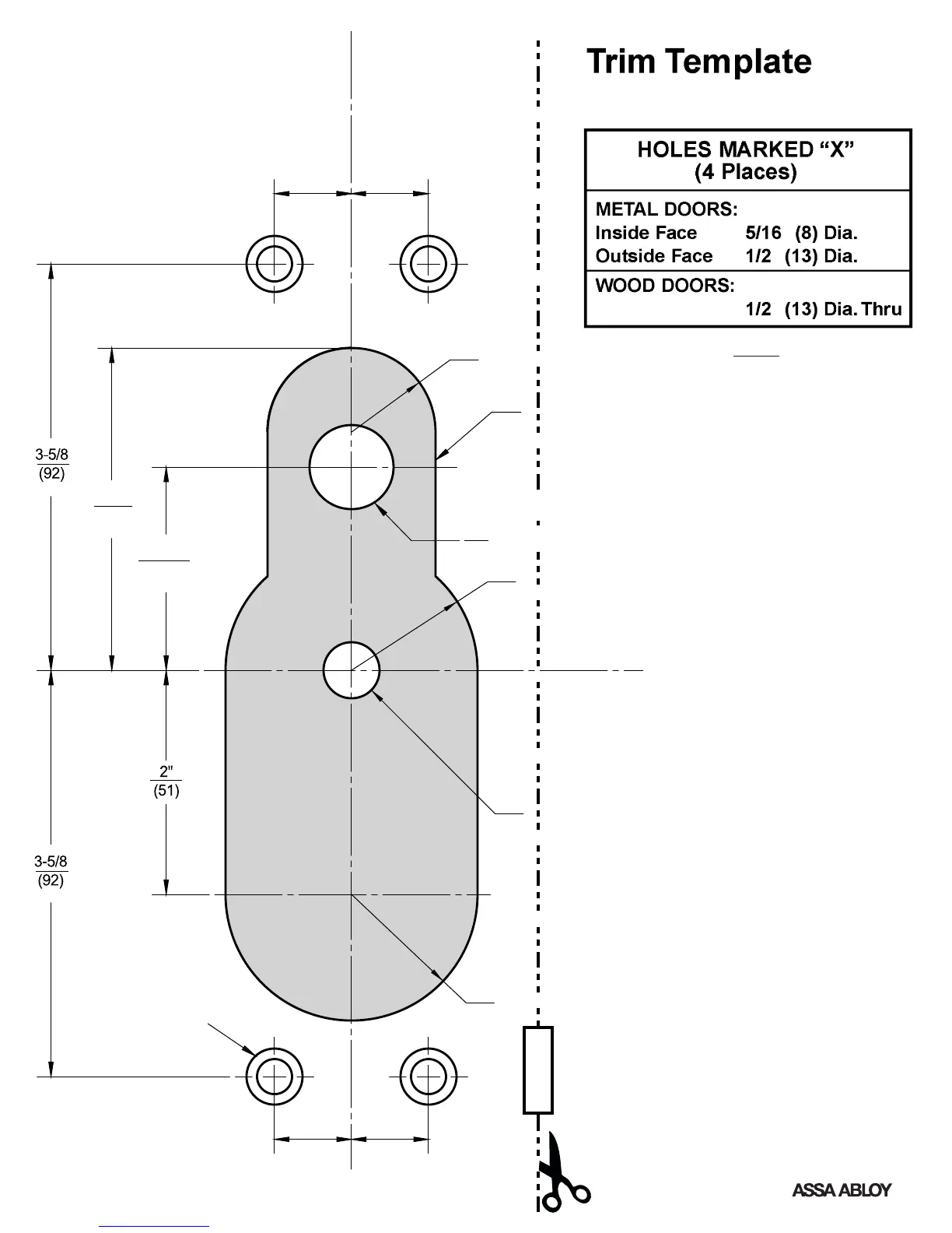
Outside Door
Face
C
L
C
L
HORIZONTAL
REFERENCE
C
L
(Device and Trim)
VERTICAL
REFERENCE
C
L
(Trim)
"X"
"X"
"X"
"X"
See Chart
4 "X" Holes
1-1/8
(29)
Radius
1-1/8
(29)
Radius
11/16 11/16
(17) (17)
3/4
Radius
(19)
1/2
(13)
Dia.
1-1/4
(32)
Deep Slot
11/16 11/16
(17) (17)
1-13/16
(46)
2-7/8
(73)
3/4
(19)
"
"
"
Dimensions given in
Inches
(mm)
CUT LINE
Thru
Area
Shaded
Dia. Thru (For Double Cylinder Application Only)
An ASSA ABLOY Group brand
80-8470-0626-000 (01-13)

Related product manuals