EasyManua.ls Logo

Yale ESC030AC - Page 67

Yale ESC030AC
134 pages
Print Icon
To Next Page IconTo Next Page
To Next Page IconTo Next Page
To Previous Page IconTo Previous Page
To Previous Page IconTo Previous Page
Loading...
STATUS
CODE
DISPLAY MESSAGE RECOVERY METHOD CIRCUIT
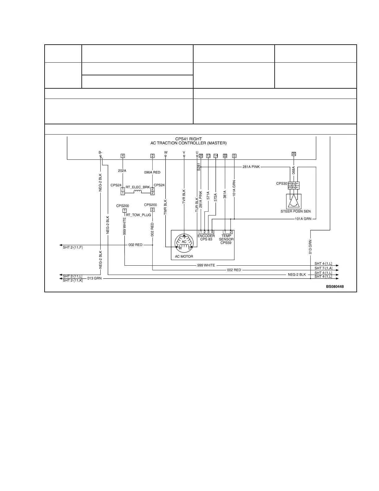
12834 12834 Re-key only LH or RH Traction
Node 3 ( 4 )
DESCRIPTION BEHAVIOR
Electric brake coil driver is shorted or open cir-
cuit, always disengaged - (LH Node 4,
RH Node 3)
Truck regens to stop, and traction disabled once stop-
ped. Hydraulic functions are
allowed.
Probable Causes and Test Procedures
2200 YRM 1415 Troubleshooting
63

Related product manuals