EasyManua.ls Logo

Yamaha 150A - Page 36

Yamaha 150A
46 pages
Print Icon
To Next Page IconTo Next Page
To Next Page IconTo Next Page
To Previous Page IconTo Previous Page
To Previous Page IconTo Previous Page
Loading...
2-17
SPEC
E
MAINTENANCE SPECIFICATIONS
Symbol
Unit
Models
Worldwide
150FETO, S150FETO, L150FETO,
LS150FETO, 175DETO, S175DETO,
200FETO, S200FETO, L200FETO,
LS200FETO, 225DET, 225DETO
150GETO,
175FETO,
200GETO
D150HETO
150AET, 175AET,
200AET
L150AET,
L200AET
USA
S150TR, L150TR, S175TR,
200TR, S200TR, L200TR
P150TR, P175TR,
P200TR
D150TR C150TR
Canada S200TR
P150TR, P175TR,
P200TR
———
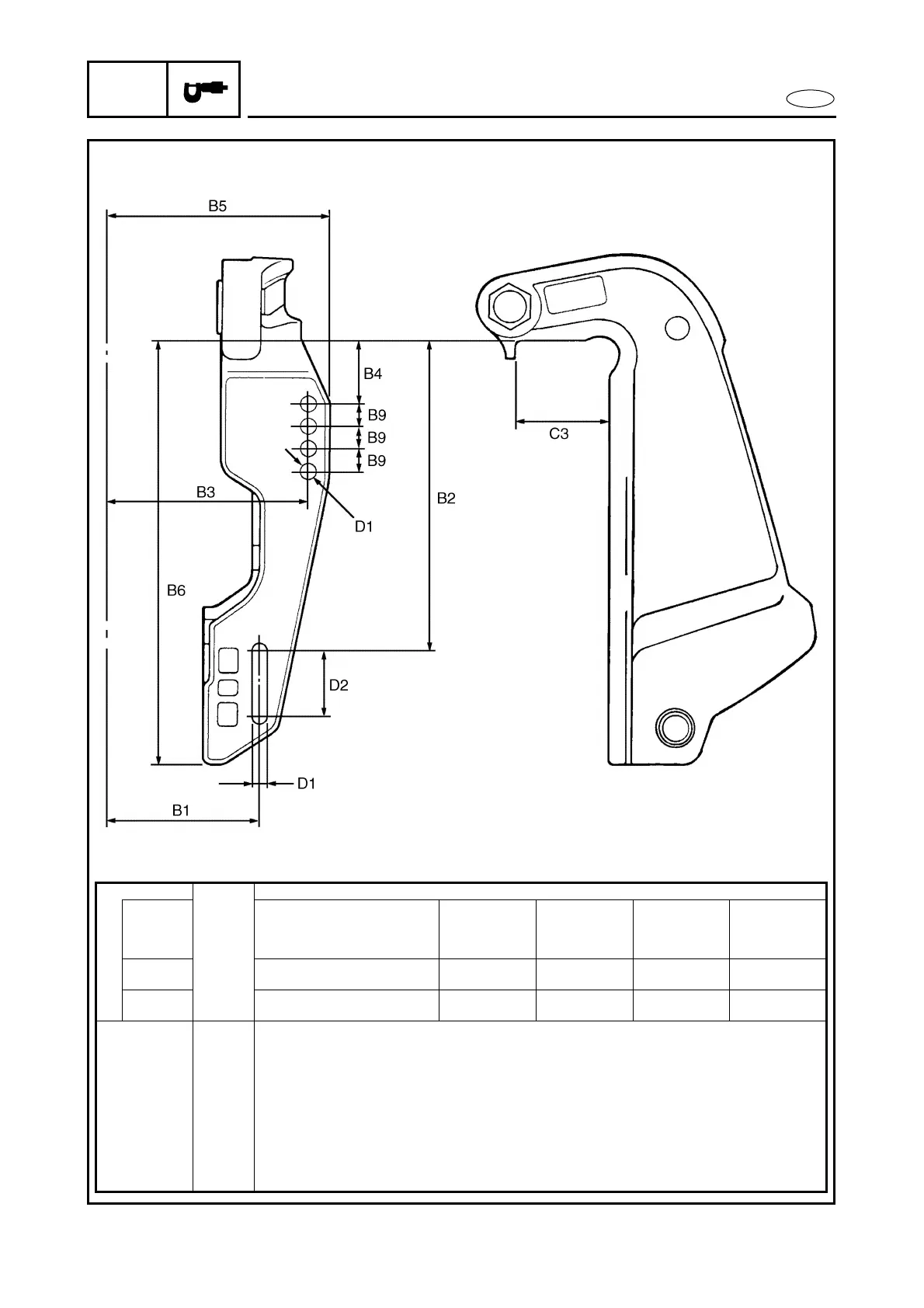
B1 mm (in) 125.4 (4.9)
B2 mm (in) 254 (10.0)
B3 mm (in) 163.5 (6.4)
B4 mm (in) 50.8 (2.0)
B5 mm (in) 180 (7.1)
B6 mm (in) 367 (14.4)
B9 mm (in) 18.5 (0.7)
C3 mm (in) 82 (3.2)
D1 mm (in) 13 (0.5)
D2 mm (in) 55.5 (2.2)

Related product manuals