EasyManua.ls Logo

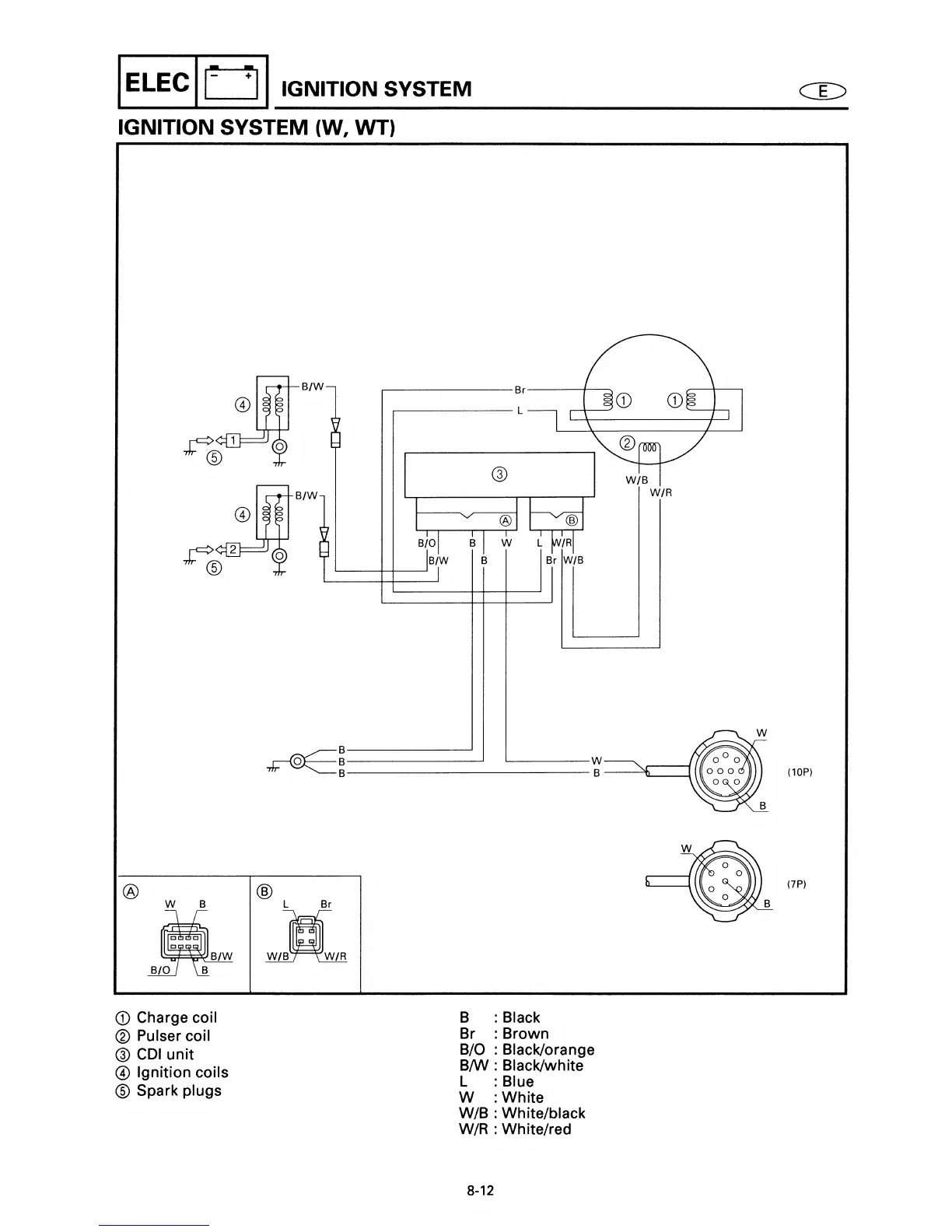
Yamaha 40X - Ignition System (W, WT) Diagram

Yamaha 40X
416 pages
Print Icon
To Next Page IconTo Next Page
To Next Page IconTo Next Page
To Previous Page IconTo Previous Page
To Previous Page IconTo Previous Page
Loading...

Table of Contents

Other manuals for Yamaha 40X

Related product manuals