EasyManua.ls Logo

Yamaha F225AET - F350;F300;F250 [Digital Electronic Control]

Yamaha F225AET
226 pages
Print Icon
To Next Page IconTo Next Page
To Next Page IconTo Next Page
To Previous Page IconTo Previous Page
To Previous Page IconTo Previous Page
Loading...
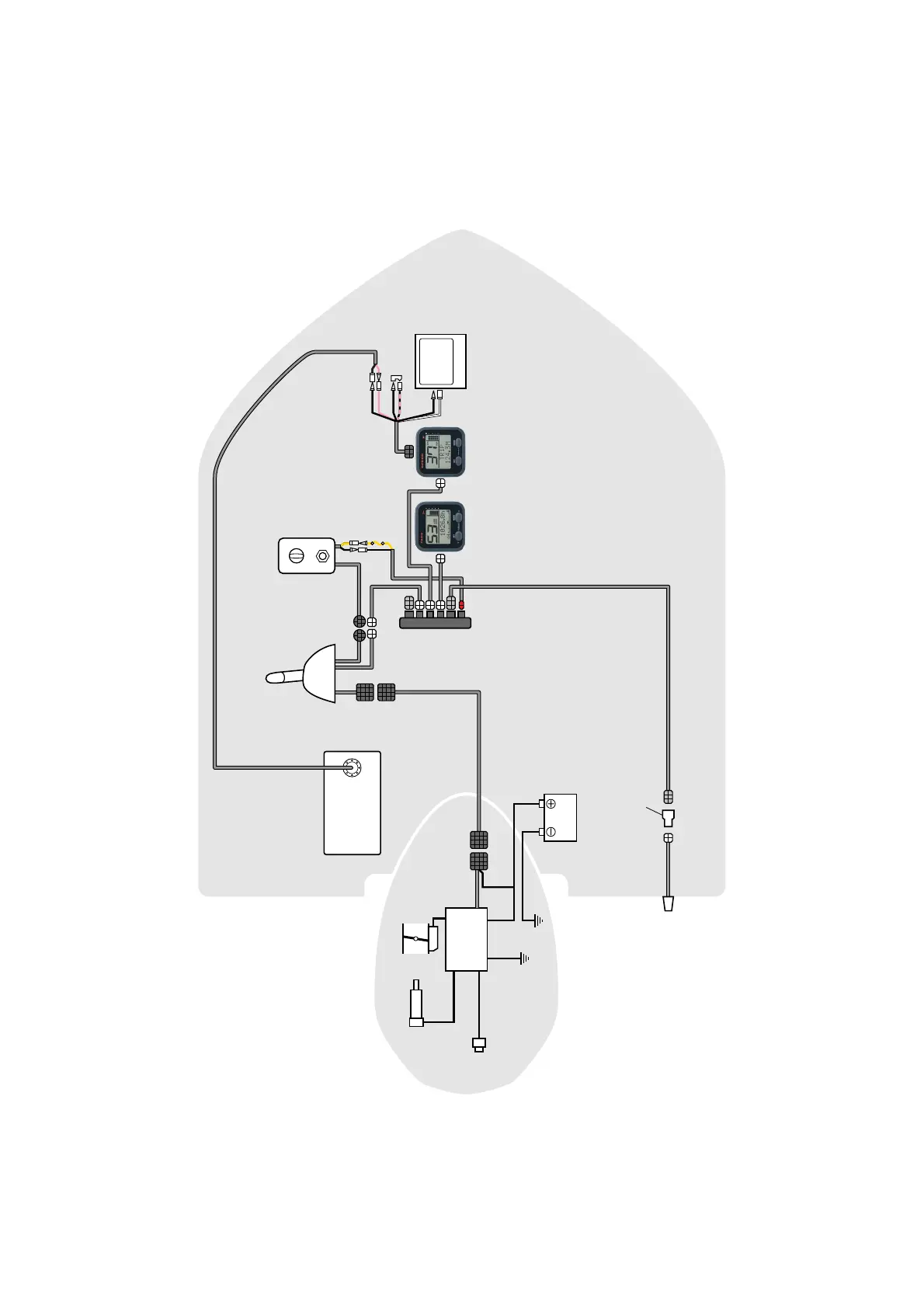
6-12
Binnacle single RC
6X6-48205-00/10
Single SW panel
6R5-82570-05
New main-harness (16P)
7m: 6X6-8258A-10
8m: 6X6-8258A-20
10m: 6X6-8258A-30
12m: 6X6-8258A-40
Multi-hub
Speedometer
Speed sensor
(OP)
Multi-sensor
(Depth, Temp, Speed)
Tachometer
Fuse (10A)
ECM
Shift actuator
Electronic
throttle body
Fuel tank
NMEA0183
compatible
GPS
Not used
Single hub
w/ resistor
(GND)
(+)
WIRING DIAGRAMS
F350/F300/F250 [Digital Electronic Control]
SINGLE ENGINE W/ BINNACLE RC

Table of Contents

Related product manuals