EasyManua.ls Logo

Yamaha F70AET - Exploded Diagram (for Us)

Yamaha F70AET
329 pages
Print Icon
To Next Page IconTo Next Page
To Next Page IconTo Next Page
To Previous Page IconTo Previous Page
To Previous Page IconTo Previous Page
Loading...
4-12
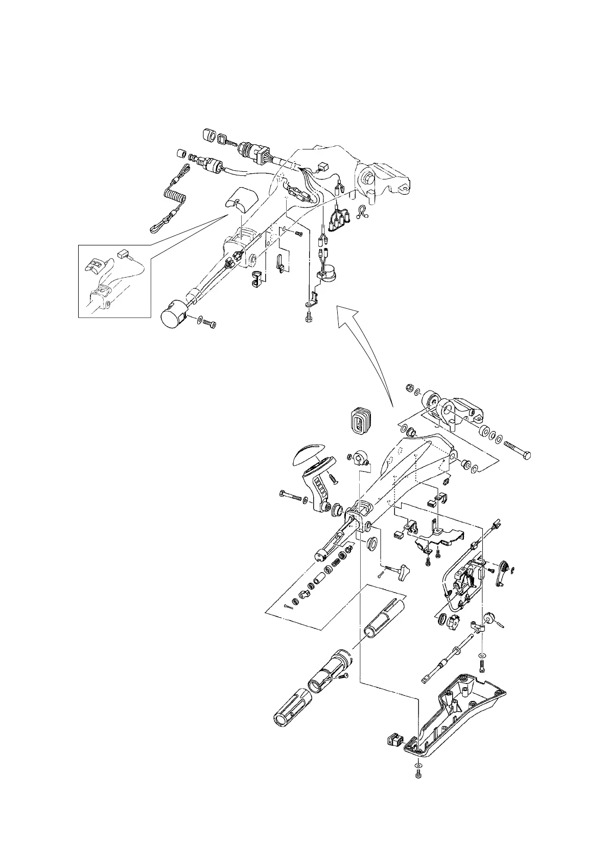
6X4 MULTI-FUNCTION TILLER HANDLE
EXPLODED DIAGRAM (FOR US)
EX: F50B/F60B/F70A

Table of Contents

Related product manuals