EasyManua.ls Logo

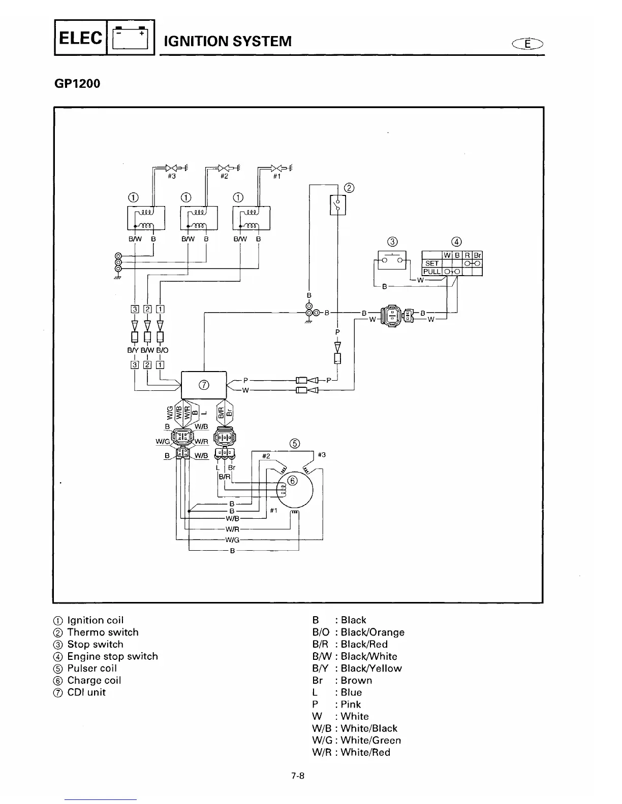
Yamaha GP760 - Ignition System Wiring Diagram (GP1200)

Yamaha GP760
181 pages
Print Icon
To Next Page IconTo Next Page
To Next Page IconTo Next Page
To Previous Page IconTo Previous Page
To Previous Page IconTo Previous Page
Loading...

Table of Contents

Related product manuals