EasyManua.ls Logo

Yamaha Rgx A2 - Electrical Parts; Circuit Board and Diagram

Yamaha Rgx A2
5 pages
Print Icon
To Next Page IconTo Next Page
To Next Page IconTo Next Page
To Previous Page IconTo Previous Page
To Previous Page IconTo Previous Page
Loading...
RGX A2
4
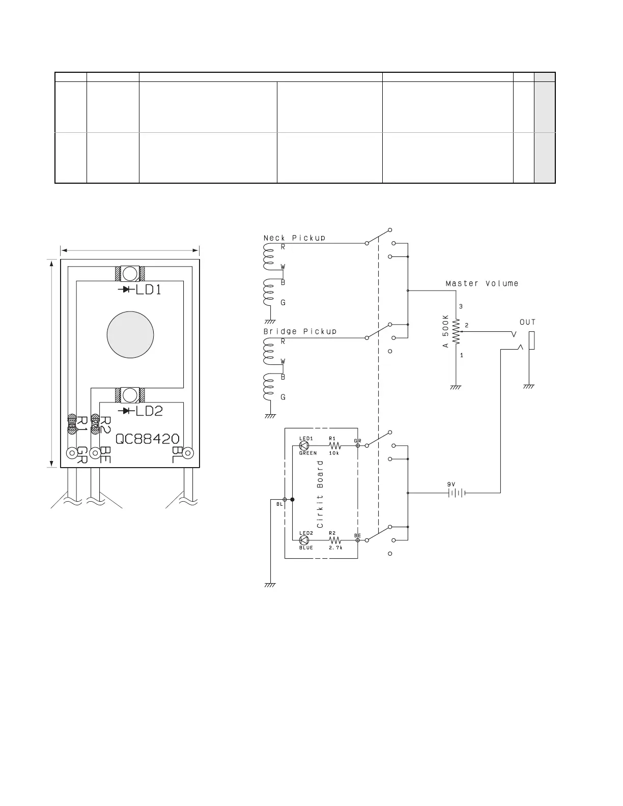
ELECTRICAL PARTS
CIRCUIT BOARD
REF NO.
PART NO.
DESCRIPTION REMARKS
QTY
RANK
*
QC884200
Circuit Board (QC88470)
*
QC884200
Circuit Board (QC88470)
* LD01
QC884500
LED T670TGKT
* LD02
QC884600
LED T670TBKT
R01
RD357100
Carbon Resistor (Chip) 10K 1/16W J 01
R02
RD356270
Carbon Resistor (Chip) 2.7K 1/16W J 01
*
: New Parts RANK: Japan only
EPA-QC88420
Unit: mm
24
Hole
36
Green Blue Black
CIRCUIT DIAGRAM

Other manuals for Yamaha Rgx A2

Related product manuals