EasyManua.ls Logo

Yamato DE411 - Accessory Options; Accessory Item List (Factory Not Required)

Yamato DE411
70 pages
Print Icon
To Next Page IconTo Next Page
To Next Page IconTo Next Page
To Previous Page IconTo Previous Page
To Previous Page IconTo Previous Page
Loading...
62
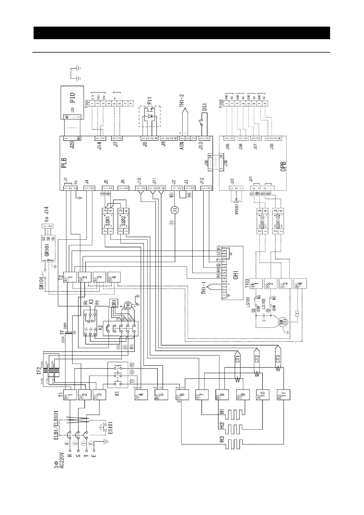
12. WIRING DIAGRAM
DE411/611 DT411/611
* Circled numbers indicate
wire markers
.
* Dotted line
s (-------
) indicate
optional
items
.