EasyManua.ls Logo

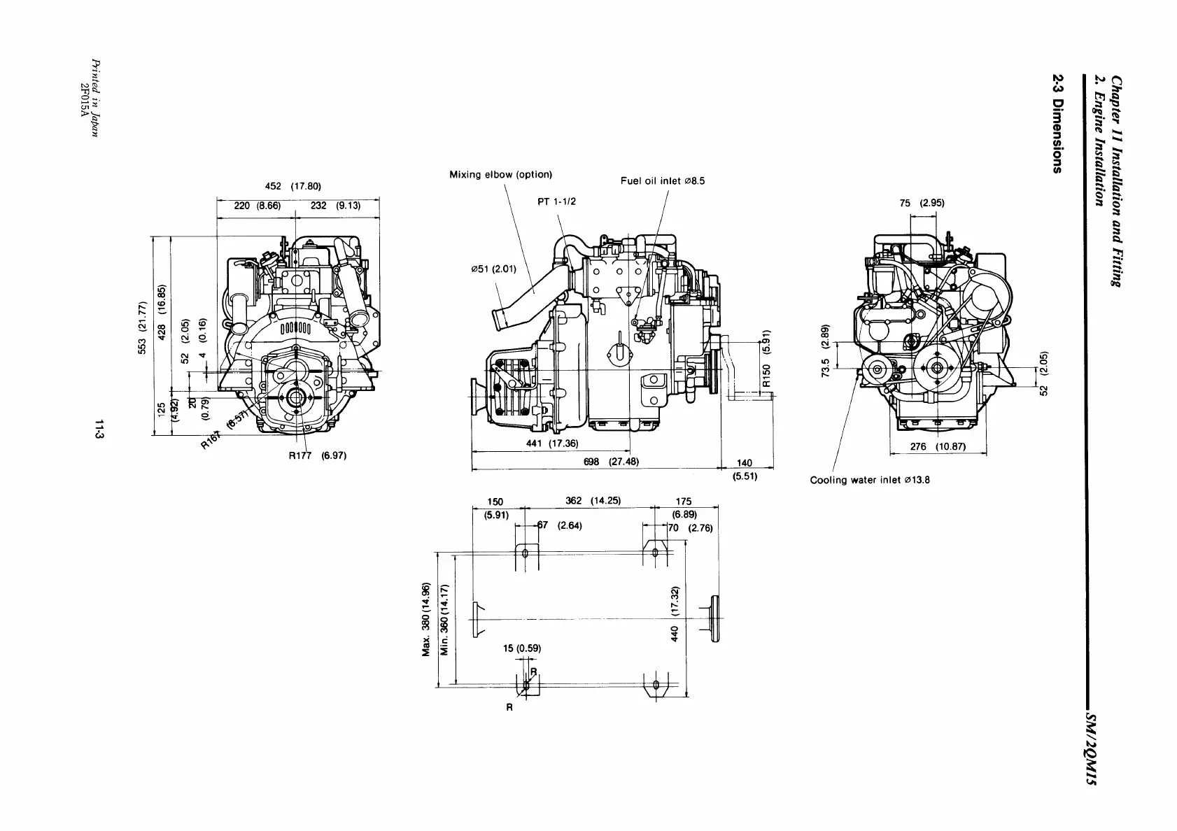
Yanmar 2QM15 - Engine Dimensions

Yanmar 2QM15
222 pages
Print Icon
To Next Page IconTo Next Page
To Next Page IconTo Next Page
To Previous Page IconTo Previous Page
To Previous Page IconTo Previous Page
Loading...

Table of Contents