EasyManua.ls Logo

Yanmar SD50 - Page 62

Yanmar SD50
86 pages
Print Icon
To Next Page IconTo Next Page
To Next Page IconTo Next Page
To Previous Page IconTo Previous Page
To Previous Page IconTo Previous Page
Loading...
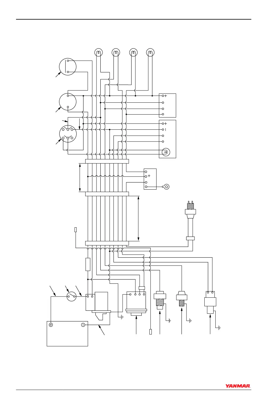
B-Type Instrument Panel
003877-00E
3
8
10
11
9
1
B
B
E
L/B
W/L
Y/W
W/R
B
W/R
B
O
P
P
L/R
R
R/B
L
B
L
R
B
S
R
W
W
L/B
W/L
Y/W
W/R
B
O
L/R
W/B
R
B
Y/W
W/R
R/B
W/L
L/B
W
R
B
L/B
O
B
R/B
W/R
Y/W
W/L
R/B
R
W
L/B
W/L
Y/W
R/B
B
O
L/R
L
P
P
R
W/L
B
R/B
2
6
19
14
15
17
28
16
18
13
7
4
23
24
25
26
12
30 AC
21
20
22
27
R/B
L/B
W
W
R/B
W/L
R/B
W/R
R/B
Y/W
5
Figure 2
SYSTEM DIAGRAMS
58 SD Operation Manual
© 2009 Yanmar Marine International

Related product manuals