EasyManua.ls Logo

Yard Machines 30 - Page 13

Yard Machines 30
16 pages
Print Icon
To Next Page IconTo Next Page
To Next Page IconTo Next Page
To Previous Page IconTo Previous Page
To Previous Page IconTo Previous Page
Loading...
13
Model Series 030
Ref.
No.
Part No. Part Description
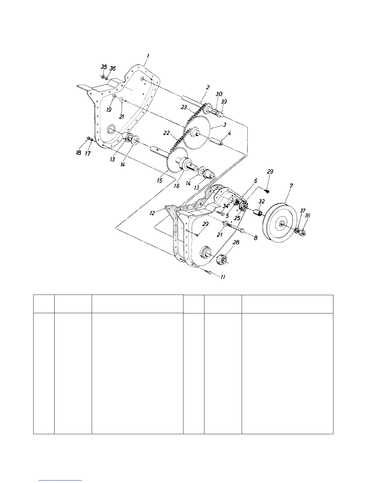
1 686-0085 Chain Case Assy.R.H.
2 611-0057 Input Shaft Assy.
3 04757A Hub and Sprocket Assy.
4 750-0351 Bearing Inner Race
5 741-0155 Ball Bearing
6 686-0087 Chain Case Assy.L.H.
7 756-0996 PulleyChain Case
8 710-0369 Hex Bolt 3/8-24 x 2.5"*
11 710-0195 Hex Bolt 1/4-28 x .625"*
12 721-0156A Gasket
13 741-0227 Flange Brg. .879" I.D.
14 736-0265 Fl-Wash. .88" I.D. x 1.5"
15 04920 Tine Shaft Assy.
16 750-0354A Spacer 7/8" I.D.
17 736-0329 L-Wash. 1/4" I.D.*
18 712-0138 Hex Nut 1/4-28 Thd.*
19 712-0116 Hex Ins. L-Nut 3/8-24 Thd.
21 736-0219 Bell-Wash. .406" I.D.
22 713-0215 Chain #420 1/2" Pitch 38 Links
713-0154 #420 Master Link
23 713-0216 Chain #35 .375" Pitch 50 Links
713-0139 #35 Master Link
25 05034A Bearing Housing
28 721-0392 Shaft Seal
29 710-0599 Hex Wash. Hd. Self-Tap Scr.
30 750-0471 Spacer .63" I.D. x .77" O.D. x .38"
32 750-0999 Spacer .647 x .77"
34 710-3008 Hex Bolt 5/16-18 x .75" Lg.*
35 712-0267 Hex Nut 5/16-18 Thd.*
36 736-0119 L-Wash. 5/16" I.D.*
37 736-0105 Bell-Wash. .38" I.D. x .88" O.D.
38 712-0379 Hex Flange L-Nut 3/8-24 Thd.
39 736-0302 Washer .652 I.D.
686-0093A Chain Case Assy. Co mp.
Ref.
No.
Part No. Part Description

Related product manuals