EasyManua.ls Logo

Yard Machines 588 - Page 10

Yard Machines 588
12 pages
Print Icon
To Next Page IconTo Next Page
To Next Page IconTo Next Page
To Previous Page IconTo Previous Page
To Previous Page IconTo Previous Page
Loading...
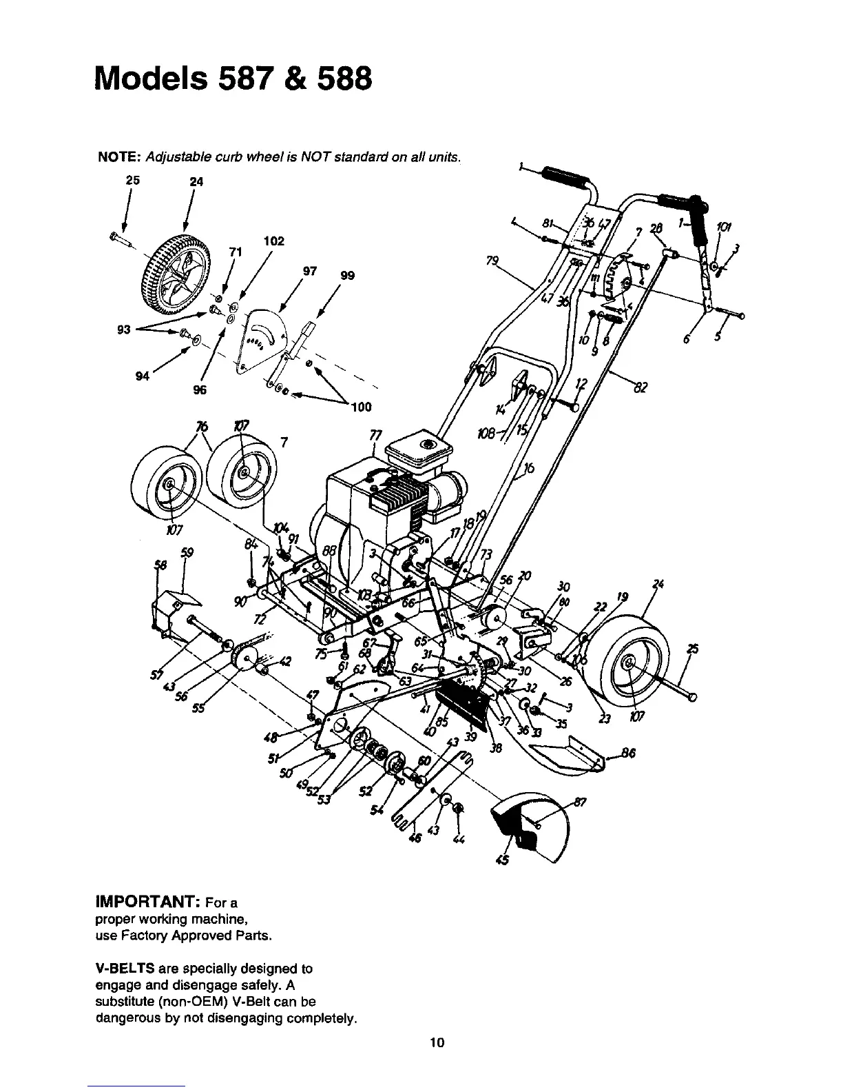
Models 587 & 588
NOTE: Adjustable curb wheel is NOT standard on aft units.
25 24
71
97 99
/
94
7
100
77
IMPORTANT: For a
proper working machine,
use Factory Approved Parts.
V-BELTS are specially designed to
engage and disengage safely. A
substitute (non-OEM) V-Belt can be
dangerous by not disengaging completely.
10

Related product manuals