EasyManua.ls Logo

Yard-Man 31AE633E401 - Page 8

Yard-Man 31AE633E401
28 pages
Print Icon
To Next Page IconTo Next Page
To Next Page IconTo Next Page
To Previous Page IconTo Previous Page
To Previous Page IconTo Previous Page
Loading...
8
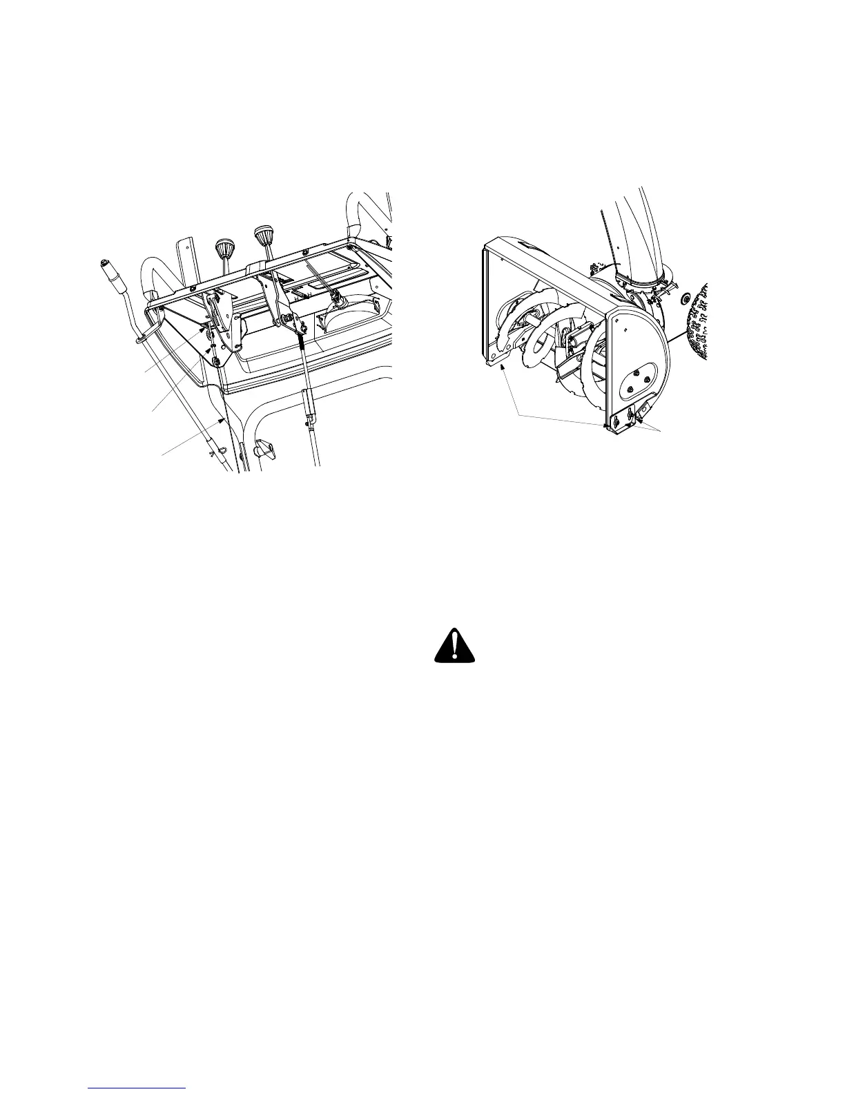
Release the auger control. The cable should be
straight. Make certain you can depress the auger
control against the left handle completely.
If adjustment is necessary, proceed as follows:
Loosen the jam nut and thread the cable in (for less
slack) or out (for more slack) as necessary. See
Figure 11.
Figure 11
Recheck adjustment; readjust as necessary and
tighten the jam nut.
Skid Shoe
The space between the shave plate and the ground can
be adjusted by repositioning the skid shoes found on
either side of the snow throwers auger housing. For
close snow removal, place skid shoes in the low
position. Use middle or high position when area to be
cleared is uneven. See Figure 12. When operating on
gravel, always put skid shoes in the high position.
Adjust skid shoes as follows:
Loosen, but do not remove, the two hex nuts which
fasten the skid shoe to the auger housing.
Raise or lower the skid shoe to desired position.
NOTE: Make certain the entire bottom surface of skid
shoe is against the ground to avoid uneven wear on the
skid shoes.
Retighten the hex nuts loosened earlier.
Repeat on the other side of the snow thrower.
Figure 12
Tire Pressure (Pneumatic Tires)
The tires are overinflated for shipping purposes.
Check tire pressure. Maintain pressure between 15
to 20 psi. Refer to tire sidewalls for recommended
tire pressure.
NOTE: If the tire pressure is not equal in both tires, the
unit may pull to one side or the other.
WARNING: Maximum tire pressure under
any circumstance is 30 psi. Equal tire pressure
should be maintained at all times. Excessive
pressure (over 30 psi) when seating beads
may cause tire/rim assembly to burst with
force sufficient to cause serious injury.
“Z” End
Auger Control Cable
Jam Nut
Skid
Hex Nuts
Shoes

Related product manuals