EasyManua.ls Logo

Yard-Man 53AA1A3G401 - Page 28

Yard-Man 53AA1A3G401
48 pages
Print Icon
To Next Page IconTo Next Page
To Next Page IconTo Next Page
To Previous Page IconTo Previous Page
To Previous Page IconTo Previous Page
Loading...
28
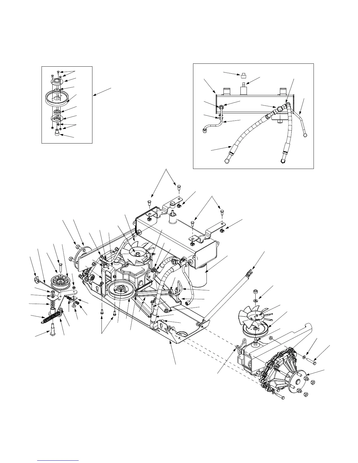
Model 53AA1A3G401
1
2
3
4
5
6
7
8
9
9
10
11
12
12
13
13
14
15
16
17
18
19
20
21
22
23
24
25
26
37
42
43
44
42
45
46
47
48
49
50
51
52
53
54
55
56
57
58
59
60
44
61
62
62
63
63
64
65
66
29
27
28
30
31
32
33
36
35
34
37
67
38
39
40
41
68