EasyManua.ls Logo

Yard-Man 53AA1A3G401 - Page 30

Yard-Man 53AA1A3G401
48 pages
Print Icon
To Next Page IconTo Next Page
To Next Page IconTo Next Page
To Previous Page IconTo Previous Page
To Previous Page IconTo Previous Page
Loading...
30
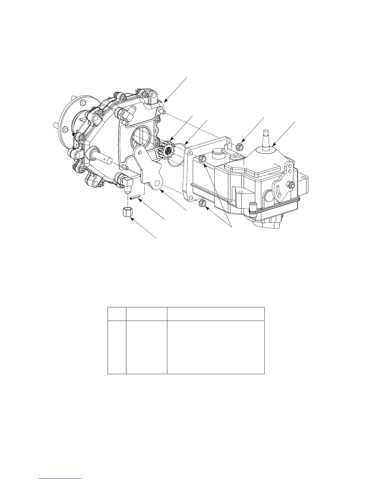
Model 53AA1A3G401
1
2
3
4
5
6
7
8
2
REF.
NO.
PART
NO. DESCRIPTION
1. 618-3110A Drive Assy Complete
2. 712-3004A Hex Flange Lock Nut 5/16-18
3. 715-0136 Spiral Pin 3/16 x 1.25
4. 717-3396 Spur Gear 14T
5. 717-3455 Hydro Transmission
6. 718-3053 Parking Brake Lever
7. 721-0343 O-Ring 2.0 Dia.
8. 727-3125 Cap Nut 3/8