EasyManua.ls Logo

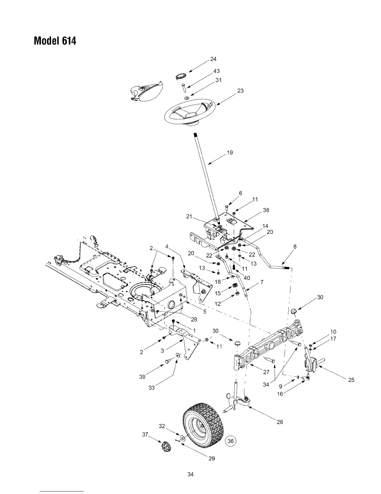
Yard-Man 614 - Steering and Axle Components

Yard-Man 614
48 pages
Print Icon
To Next Page IconTo Next Page
To Next Page IconTo Next Page
To Previous Page IconTo Previous Page
To Previous Page IconTo Previous Page
Loading...
Model614
6
38
21
14
2O
32
37 _
29
25
34

Related product manuals