EasyManua.ls Logo

Yard-Man 614 - Page 42

Yard-Man 614
48 pages
Print Icon
To Next Page IconTo Next Page
To Next Page IconTo Next Page
To Previous Page IconTo Previous Page
To Previous Page IconTo Previous Page
Loading...
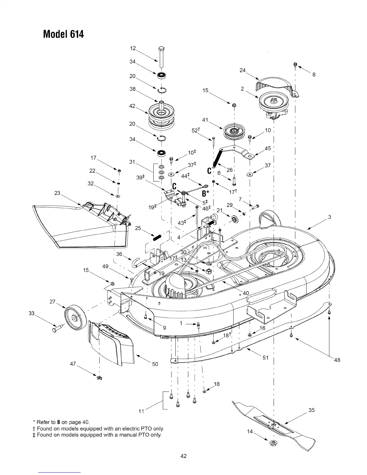
Model614
5O
* Refer to B on page 40.
1 Found on models equipped with an electric PTO only.
:1:Found on models equipped with a manual PTO only.
18
51
35
42

Related product manuals