EasyManua.ls Logo

Yard-Man 624 - Page 34

Yard-Man 624
48 pages
Print Icon
To Next Page IconTo Next Page
To Next Page IconTo Next Page
To Previous Page IconTo Previous Page
To Previous Page IconTo Previous Page
Loading...
Hookspring
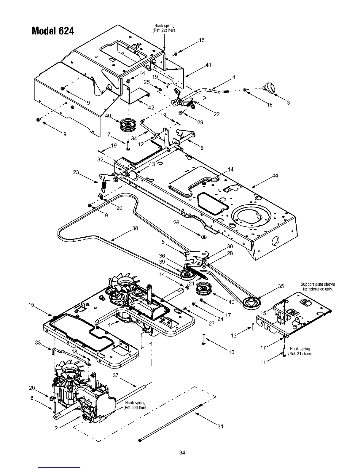
Model624 _Ro,._g_horo.
oo
>
22
26
5
36
Suppod pSateshown
for refsrenc8 onJy.
37
I
10
Hook spring
(Ref. 21) here.
34

Other manuals for Yard-Man 624

Related product manuals