EasyManua.ls Logo

Yard-Man YM20CS - Page 51

Yard-Man YM20CS
52 pages
Print Icon
To Next Page IconTo Next Page
To Next Page IconTo Next Page
To Previous Page IconTo Previous Page
To Previous Page IconTo Previous Page
Loading...
E19
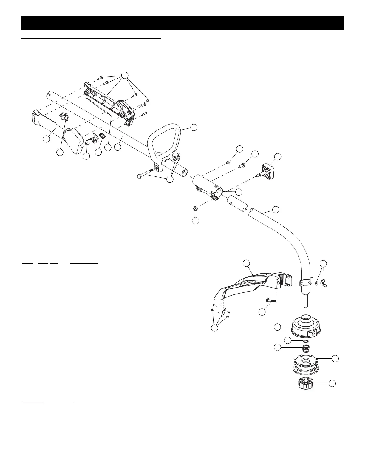
PARTS LIST
REPLACEMENT PARTS - MODEL YM20CS
2-CYCLE GAS TRIMMER
11
12
9
13
1
7
10
6
5
4
3
Item Part No.
Description
1 753-04234 Throttle Housing Assembly (includes 2-4)
2 791-182405 Switch
3 753-04119 Throttle Trigger
4 791-182690 Throttle Trigger Spring
5 753-04405 Throttle Cable
6 753-04344 Upper Drive Shaft Housing Assembly
7 791-153064 D-Handle (includes 8)
8 791-153317 Handle Hardware
9 791-181616B Split Boom Coupler (includes 10-13)
10 791-182057 Screw
11 791-181617 Bolt
12 791-181618B Adjustment Knob
13 753-04386 Knob Retaining Nut
14 753-04508 Lower Drive Shaft Housing Assembly
15 753-04282 Guard Mounting Hardware
16 753-04283 Guard (includes 15)
17 791-180553 Blade Assembly
18 753-04284 Outer Spool Assembly (includes 19)
19 791-610660 Retainer
20 791-610317B Spring
21 753-1155 Inner Reel
22 791-153066B Bump Head Knob Assembly
Optional Accessories
* 791-153577B Reel and Line Assembly
* Items Not Shown
16
22
18
21
15
17
20
14
1
8
15
19
2

Related product manuals