EasyManua.ls Logo

York Affinity DNP036 - Page 33

York Affinity DNP036
40 pages
Print Icon
To Next Page IconTo Next Page
To Next Page IconTo Next Page
To Previous Page IconTo Previous Page
To Previous Page IconTo Previous Page
Loading...
280241-YIM-D-0909
Johnson Controls Unitary Products 33
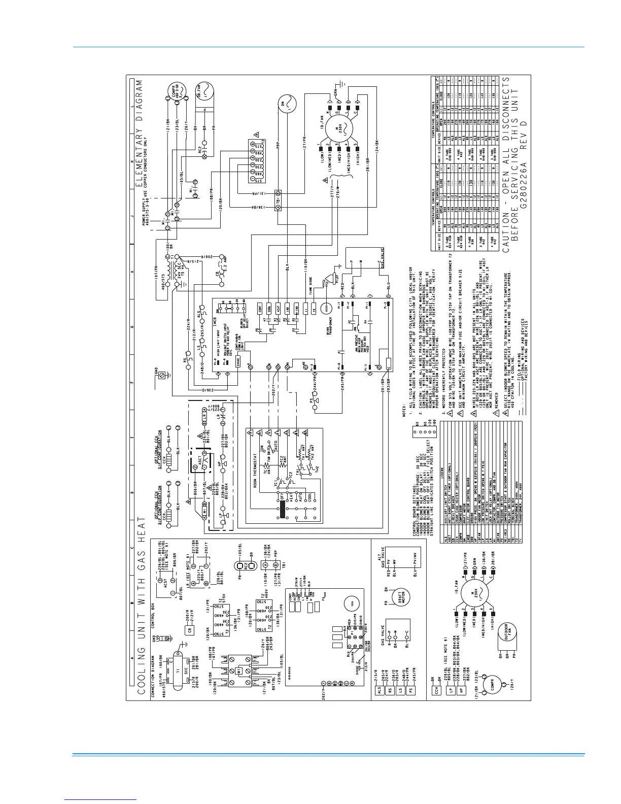
FIGURE 28 - TYPICAL WIRING DIAGRAM D*NP 030-048 SINGLE STAGE GAS HEAT (460/575-3-60 POWER
SUPPLY)

Table of Contents

Related product manuals