EasyManua.ls Logo

York AHE60D3XH21 - Heat Pump Thermostat Wiring; 2-Stage Heat Pump with ECM Motor

York AHE60D3XH21
12 pages
Print Icon
To Next Page IconTo Next Page
To Next Page IconTo Next Page
To Previous Page IconTo Previous Page
To Previous Page IconTo Previous Page
Loading...
Johnson Controls Unitary Products 11
697887-YTG-H-0514
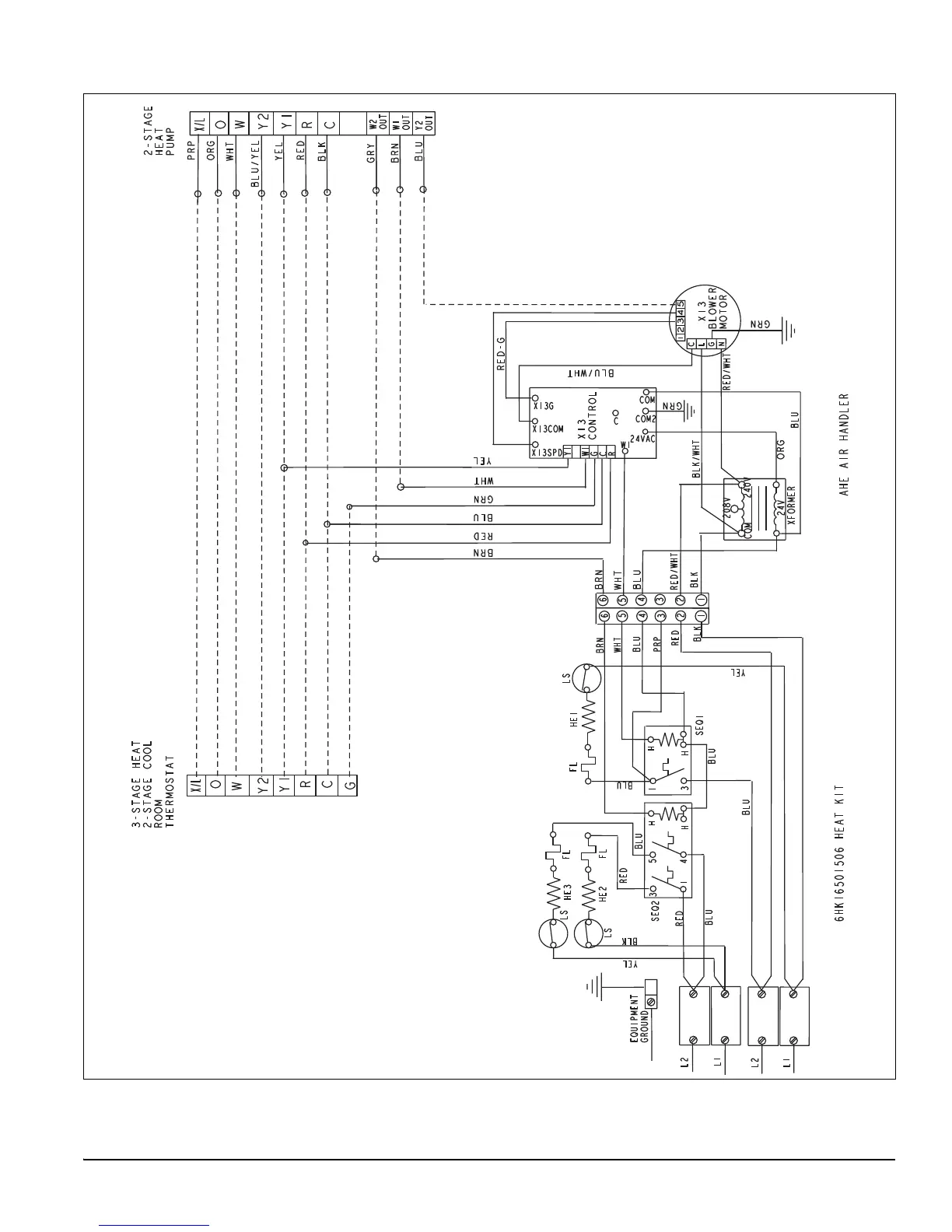
TYPICAL THERMOSTAT WIRING FOR 2-STAGE HEAT PUMP WITH ECM BLOWER MOTOR
A001-001
NOTICE
WIRING FOR BLOWER MOTOR
MAY REQUIRE FIELD ADJUSTMENT,
DEPENDING ON MATCHUP OF
SYSTEM UNITS. REFER TO
THE AIR FLOW DATA (CFM) TABLE IN
THE TECHNICAL GUIDE FOR DETAILS.
BLK -SPD (Y1 / W1)

Related product manuals