EasyManua.ls Logo

York Sunline 2000 - Field-Installed Accessories

York Sunline 2000
12 pages
Print Icon
To Next Page IconTo Next Page
To Next Page IconTo Next Page
To Previous Page IconTo Previous Page
To Previous Page IconTo Previous Page
Loading...
FIELD-INSTALLED ACCESSORIES - 0°F LOW AMBIENT KITS - An auto-transformer and temperature control
maintain stable system operation by reducing the speed of the condenser fan motor.
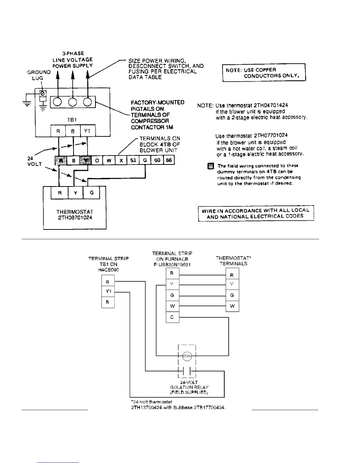
TYPICAL FIELD WIRING w/AIR HANDLER
TYPICAL FIELD WIRING WITH 7-1/2 TON FURNACE
550.23-TG1Y
6 Unitary Products Group

Other manuals for York Sunline 2000

Related product manuals