EasyManua.ls Logo

Zamil PS036 - PS036-075 (460 V) Wiring Diagram

Zamil PS036
51 pages
Print Icon
To Next Page IconTo Next Page
To Next Page IconTo Next Page
To Previous Page IconTo Previous Page
To Previous Page IconTo Previous Page
Loading...
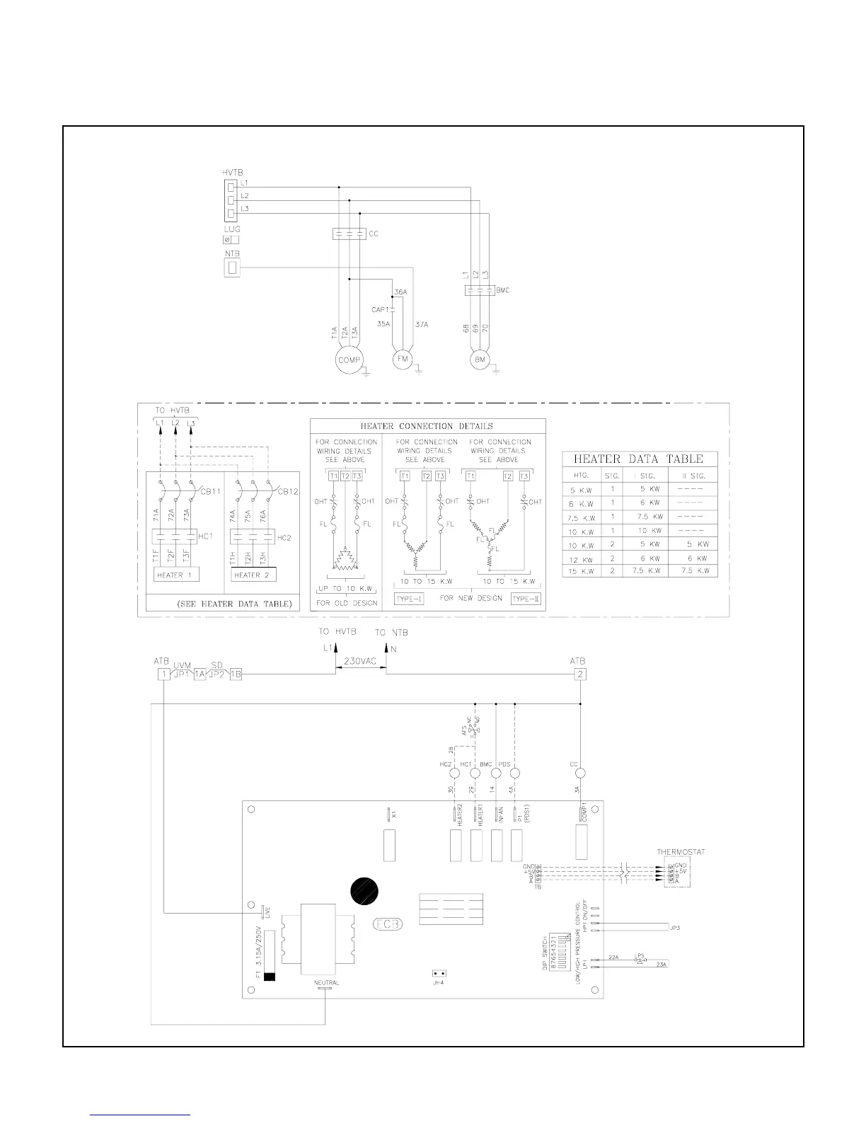
TYPICAL SCHEMATIC WIRING DIAGRAM
MODELS : PS036 - PS075 (Single compressor units)
(POWER SUPPLY: 380V - 3Ph - 60Hz)
NOTE: 1. Refer to next page for legend, notes & wiring diagram for optional items.
2. Refer to unit control box (inside panel) for exact wiring diagram.
27

Related product manuals