EasyManua.ls Logo

Zanotti MGS - Bdb340 No02 F

Zanotti MGS
86 pages
Print Icon
To Next Page IconTo Next Page
To Next Page IconTo Next Page
To Previous Page IconTo Previous Page
To Previous Page IconTo Previous Page
Loading...
DATA:
REV.nr. FOGLIO nr :
DI
13
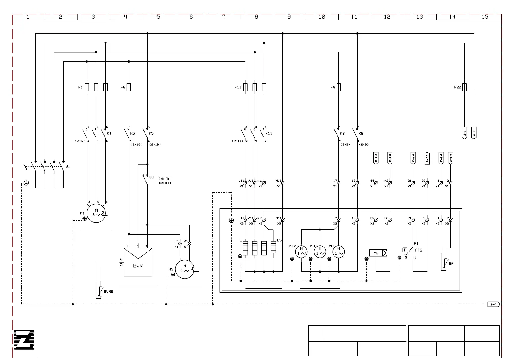
BDB340TO02F-298F-315F-TO311F/ANP
BDB340NO02F-86F-305F-315F/ANP
HCD631NO02F
AA10002
04-04-2003Soncini
DISEGNO nr.
ApprovatoDisegnato
Soncini
DATA: Approvato
MODELLO
380-400-415V/3N~/50Hz
PE
EVAPORATOR
F5TK
SPEED REGULATOR CONDENSER FAN
DEFROST HEATER EVAPORATOR FANS
COMPRESSOR
220-230-240V/1N~/50Hz
6A 16A 6A 4A
GV GV GV GV
SWITCH:
GV
GV
N1
L4
L6
L8
L10
L12
L7
L9
L11
L5
L4
L13
L4
L15
N1
GV
L17
L19
L21
L18
L22
L20
L6
L4L22 L22
L18L18
L20L20
L4
N1N1N1
L23
L5L25L23L23
N1L24L24L24
L23
3 33
5
1
N1N1
7
8 8
55
77
66
L4L4
L6
N1
L6
L24
L6
L6
N1
N1
L14
GV
N1
N1
N1
GV
L14
L5
L15
L5
L5
L5
GV
GV
L24
N
L1
L2
8
L3
6
GV GV
L22
N1
GV
6
L24
L16
L16 N1
L23

Related product manuals