EasyManua.ls Logo

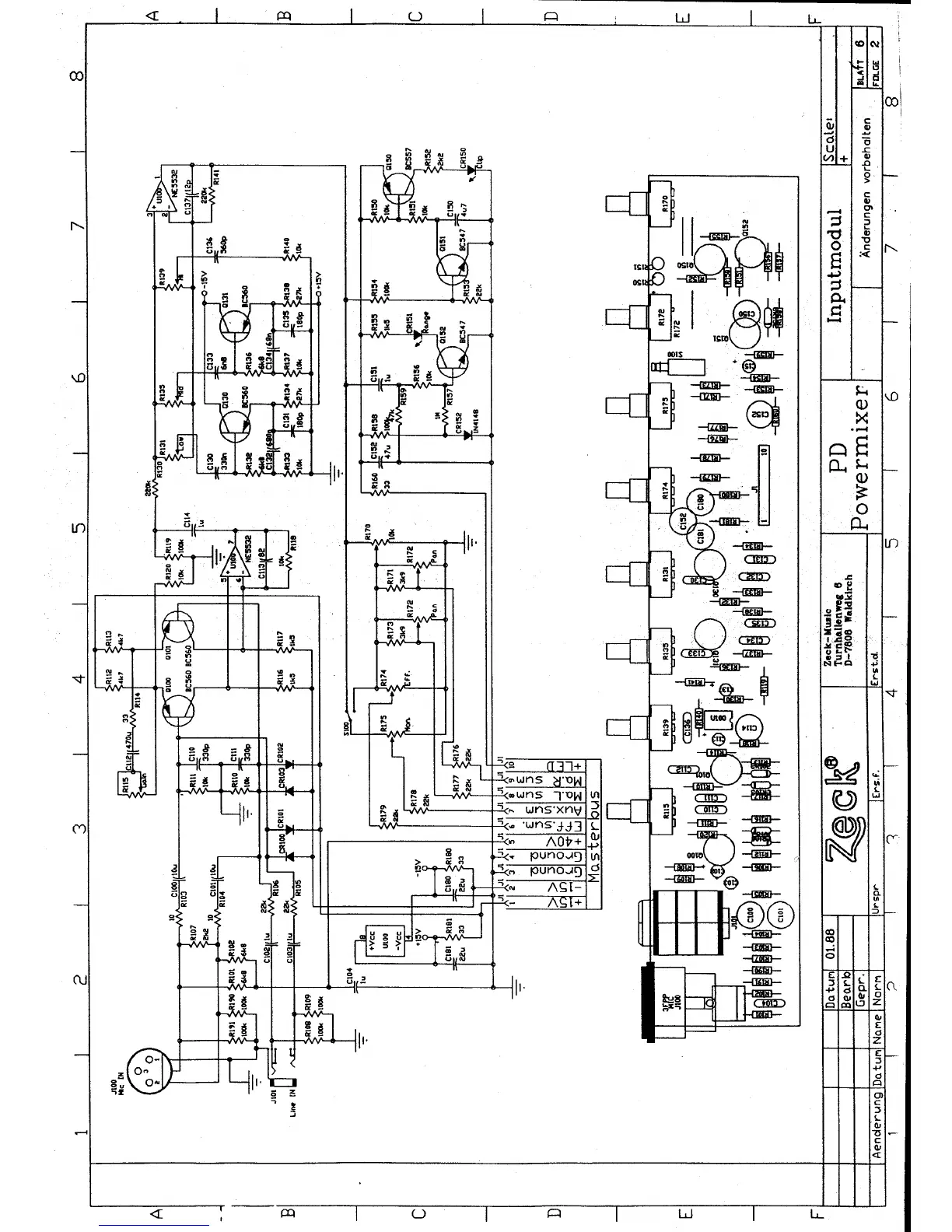
Zeck Audio MD6 - PD Input Module Circuit

Default Icon
15 pages
Print Icon
To Next Page IconTo Next Page
To Next Page IconTo Next Page
To Previous Page IconTo Previous Page
To Previous Page IconTo Previous Page
Loading...

Related product manuals