EasyManua.ls Logo

Zenith A20A22D - Product Maintenance Guide; Screen Cleaning Instructions; Cabinet Cleaning Instructions; Wood Cabinet Care

Zenith A20A22D
119 pages
Print Icon
To Next Page IconTo Next Page
To Next Page IconTo Next Page
To Previous Page IconTo Previous Page
To Previous Page IconTo Previous Page
Loading...
CM150 3-8 GA - IC DESCRIPTIONS
IC DESCRIPTIONS
IC DESCRIPTIONS
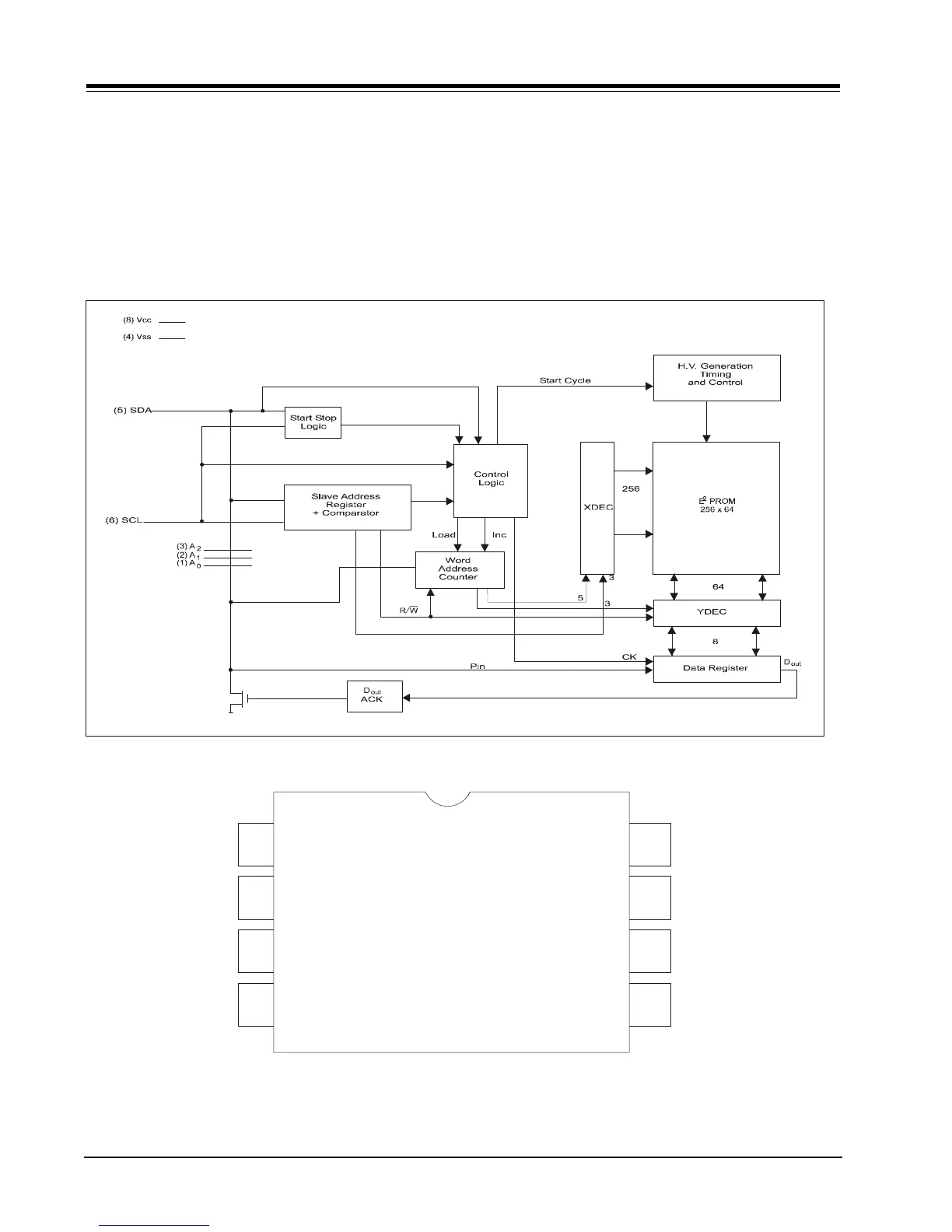
AT24C04
ATMEL
$
$
$
*1'
9&&
:3
6&/
6'$
IC6001
4K Bit Serial EEPROM
221-00745-04
Pin Configuration

Table of Contents

Other manuals for Zenith A20A22D

Related product manuals