EasyManua.ls Logo

Zenith A20A22D - Glossary of Terms; RF Cable and Adapter Definitions; A;V Cable and Device Definitions; Core Function Definitions

Zenith A20A22D
119 pages
Print Icon
To Next Page IconTo Next Page
To Next Page IconTo Next Page
To Previous Page IconTo Previous Page
To Previous Page IconTo Previous Page
Loading...
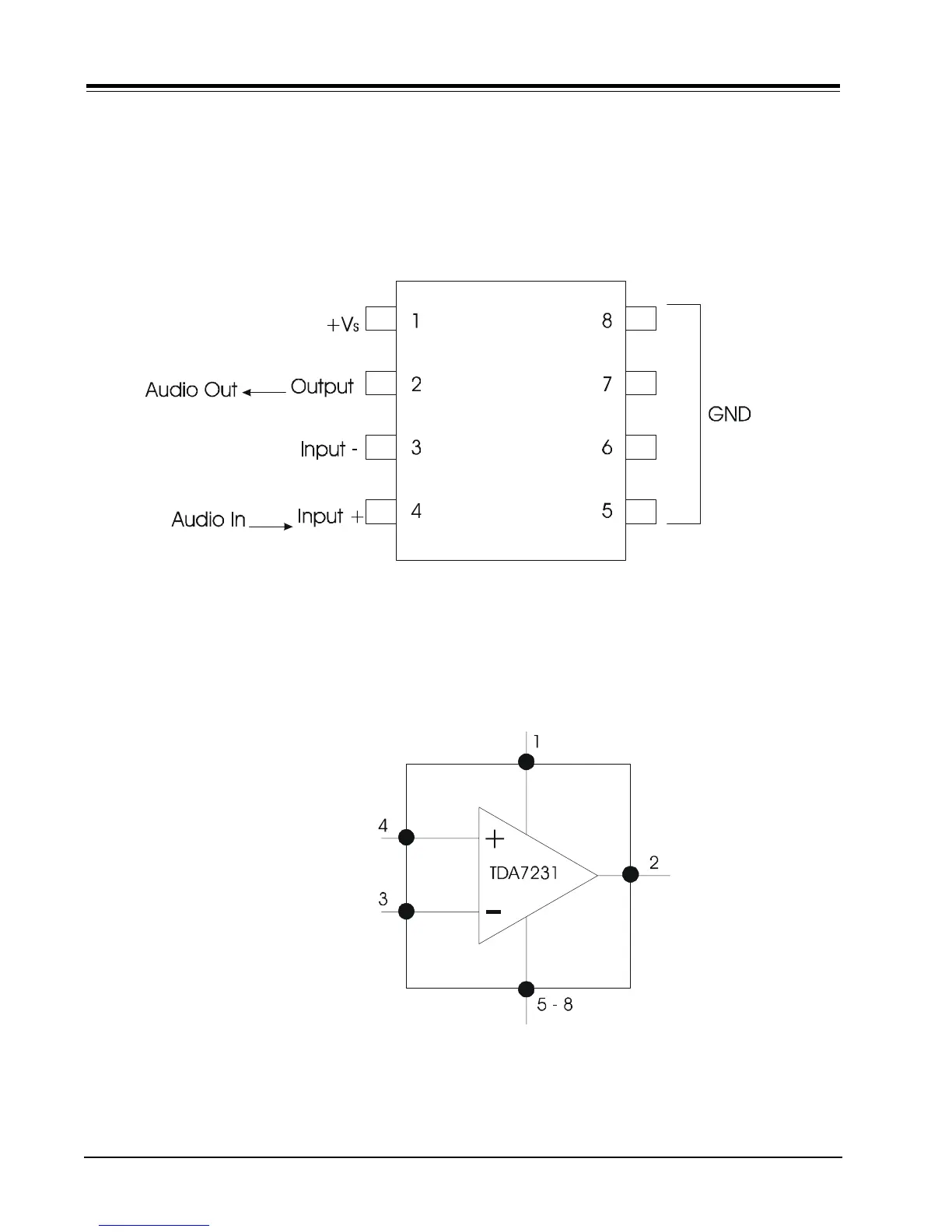
CM150 3-10 GA - IC DESCRIPTIONS
IC DESCRIPTIONS (continued)
Pin Definition
221-00981
Test Circuit

Table of Contents

Other manuals for Zenith A20A22D

Related product manuals