EasyManua.ls Logo

Zipro Heat - Aplinkos Apsauga

Zipro Heat
Print Icon
To Next Page IconTo Next Page
To Next Page IconTo Next Page
To Previous Page IconTo Previous Page
To Previous Page IconTo Previous Page
Loading...
107
LT
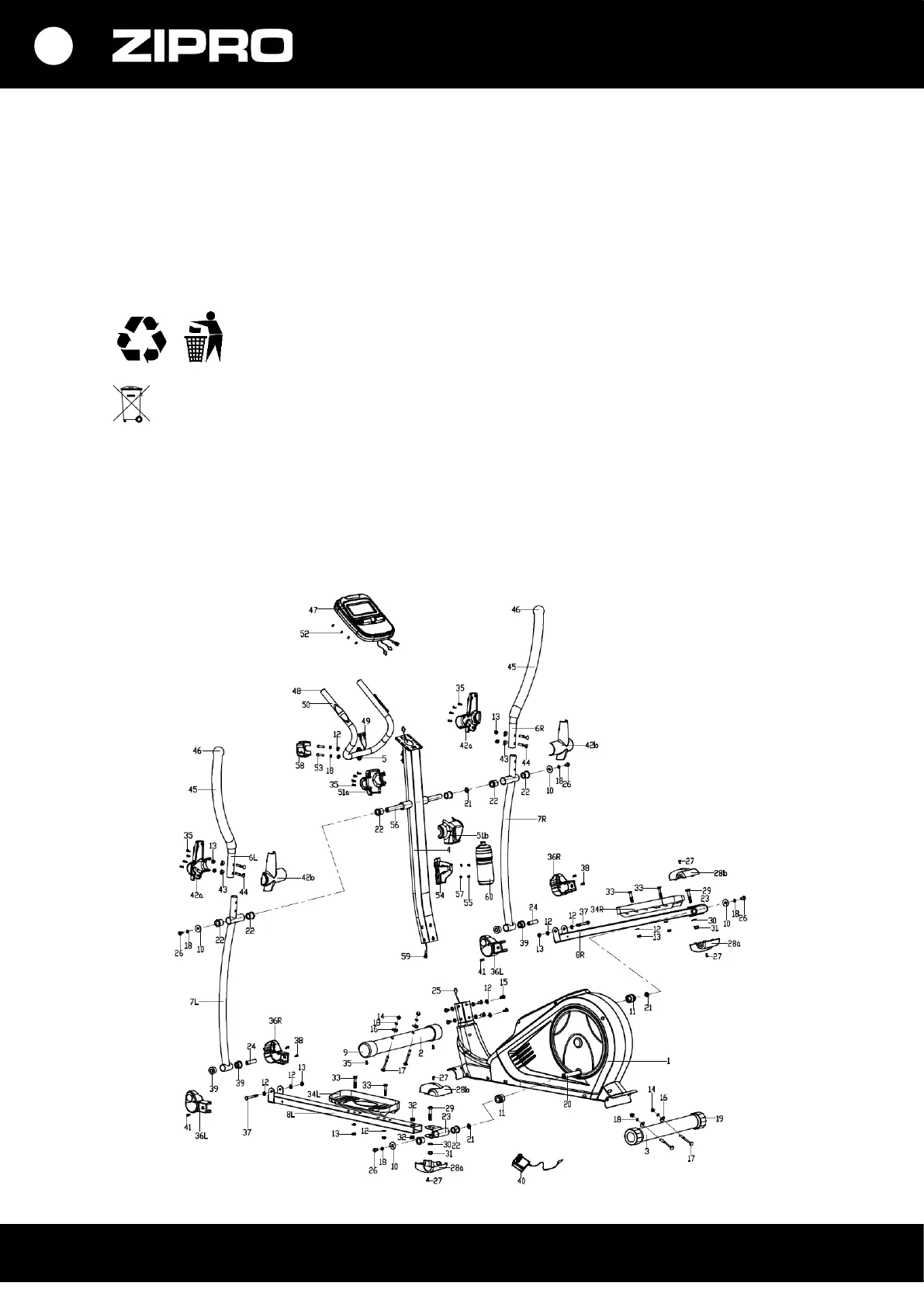
Konkrečiam montavimo etapui būtini elementai nurodyti brėžiniuose ir informacijoje. Naudokite
montavimo instrukcijoje nurodytus elementus.
Pirmųjų montavimo etapų metu neprisukite elementų iki galo. Iki galo juos prisukite tik tuomet,
kuomet pritvirtinsite visas dalis ir įsitikinsite, kad jos yra sumontuotos teisingai.
Gamintojas pasilieka teisę kai kuriuos komponentus surinkti iš anksto.
DĖMESIO! Panaudojus gamintojo netiekiamas atsargines dalis, garantija nebus taikoma. Kitų gamintojų
tiekiamų dalių montavimas galimas, tik remontuojant įrenginį, pasibaigus jo garantiniam laikotarpiui.
APLINKOS APSAUGA
Įrenginys pristatomas jį transporto metu saugančiojo pakuotėje. Pakuotė gali būti
perdirbama. Jos atliekas išmeskite į spalvotus, rūšiuotoms atliekoms skirtus
konteinerius.
Saugokite aplinką ir išsikrovusių baterijų nemeskite kartu su buitinėmis šiukšlėmis. Atiduokite
jas specialiuose baterijų arba antrinių žaliavų surinkimo punktuose.
Panaudota elektros įranga (taip pat ir skaitikliai, įkrovėjai) laikomi antrinėmis žaliavomis, todėl jų nemeskite
kartu su buitinėmis atliekomis. Juose gali būti žmonių sveikatai ir aplinkai kenksmingų medžiagų. Padėkite
tausoti gamtinius išteklius ir saugoti aplinką – panaudotą įrangą atiduokite antrinių žaliavų surinkimo
punktuose (panaudotos įrangos surinkimo centruose).
MONTAVIMO SCHEMA
DĖMESIO! Draudžiama naudoti ne gamintojo siūlomas detales.

Table of Contents

Related product manuals