EasyManua.ls Logo

Zipro Heat - Page 127

Zipro Heat
Print Icon
To Next Page IconTo Next Page
To Next Page IconTo Next Page
To Previous Page IconTo Previous Page
To Previous Page IconTo Previous Page
Loading...
127
CZ
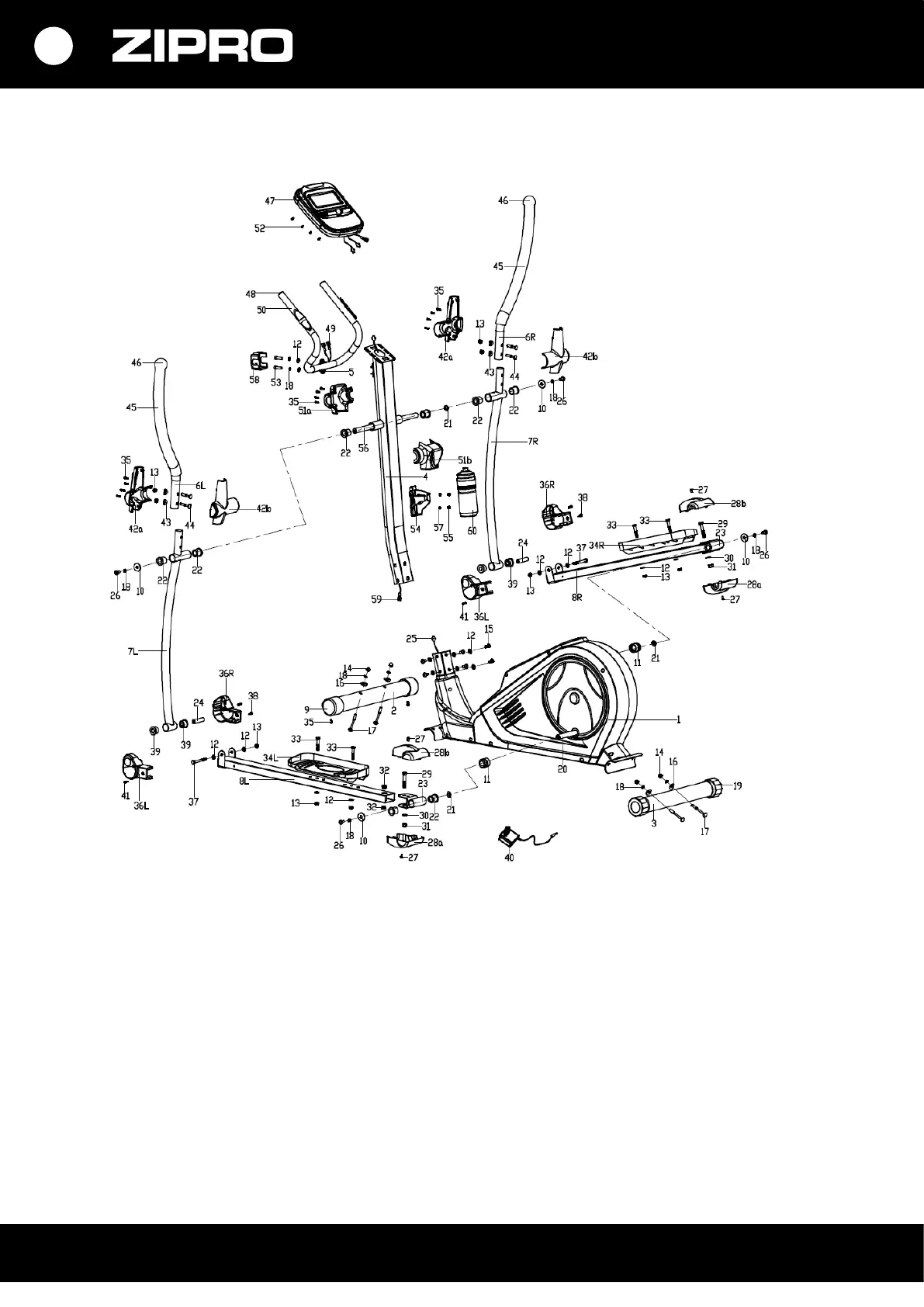
MONTÁŽNÍ SCHÉMA
UPOZORNĚNÍ! Zabraňuje se používat díly jiných dodavatelů než výrobce.

Table of Contents

Related product manuals