EasyManua.ls Logo

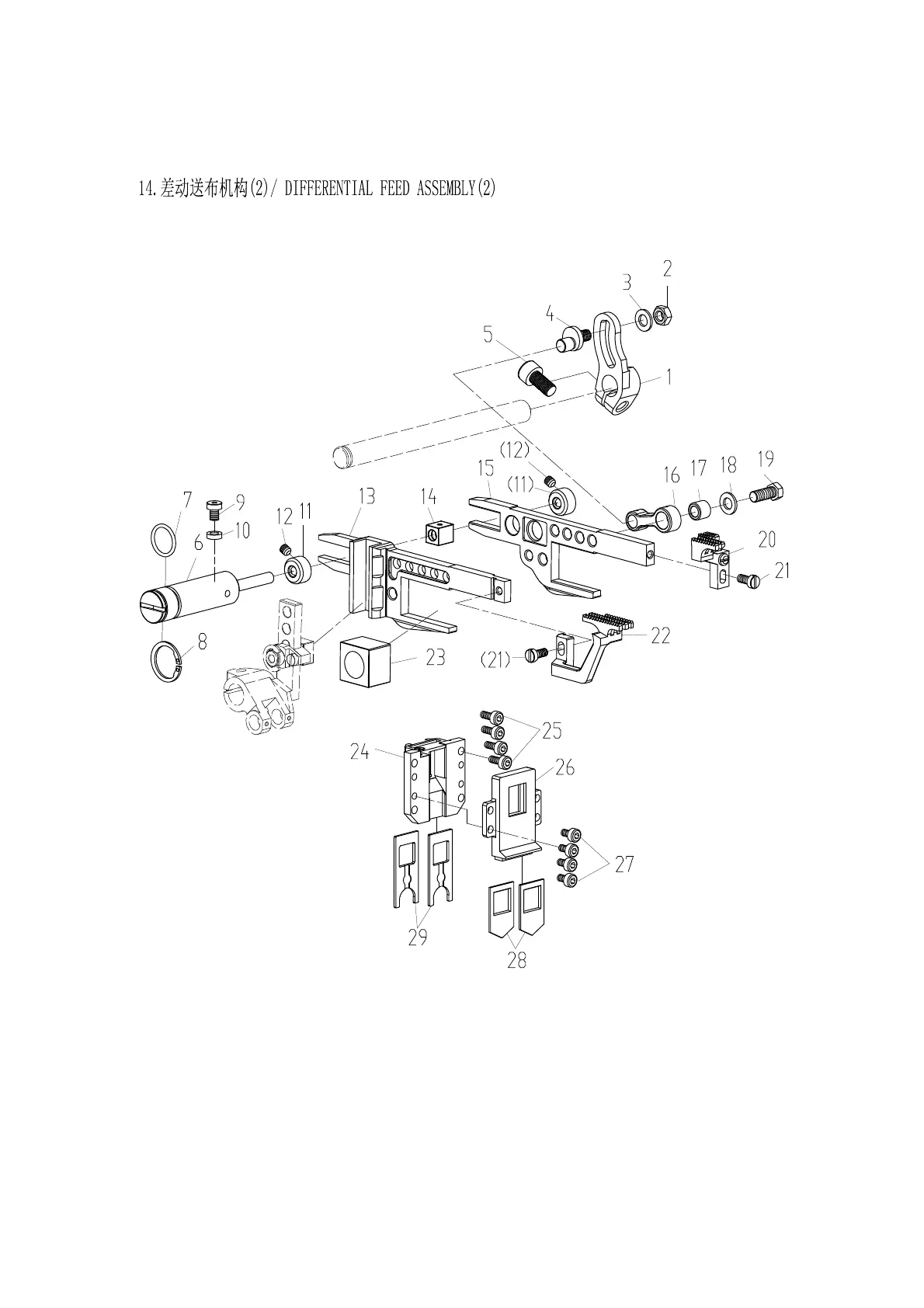
ZOJE B9500 - Differential Feed Assembly (2) Parts

ZOJE B9500
62 pages
Print Icon
To Next Page IconTo Next Page
To Next Page IconTo Next Page
To Previous Page IconTo Previous Page
To Previous Page IconTo Previous Page
Loading...

Related product manuals