EasyManua.ls Logo

2N Helios - Page 26

2N Helios
76 pages
Print Icon
To Next Page IconTo Next Page
To Next Page IconTo Next Page
To Previous Page IconTo Previous Page
To Previous Page IconTo Previous Page
Loading...
26
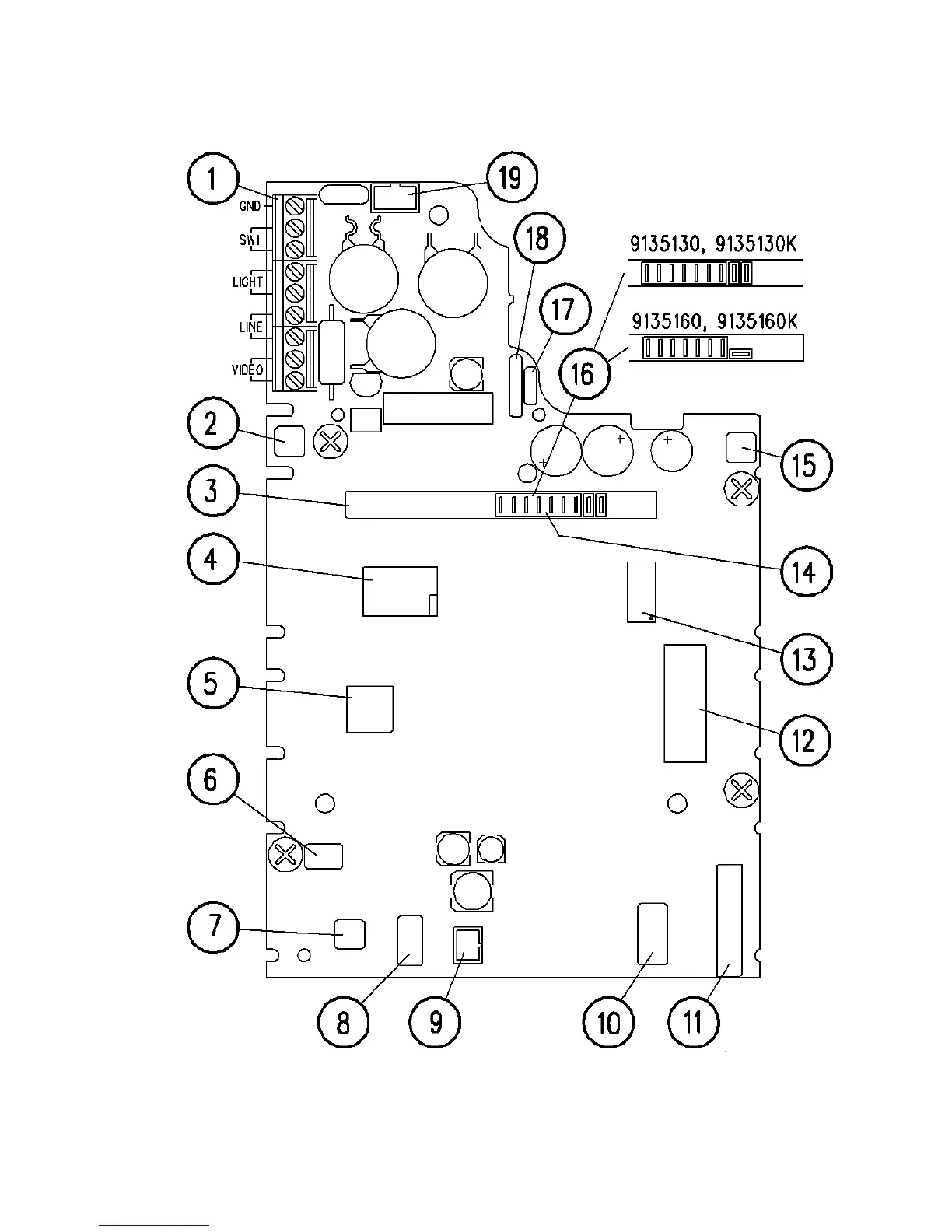
Fig.: PCB Layout, Version 10

Table of Contents

Other manuals for 2N Helios

Related product manuals